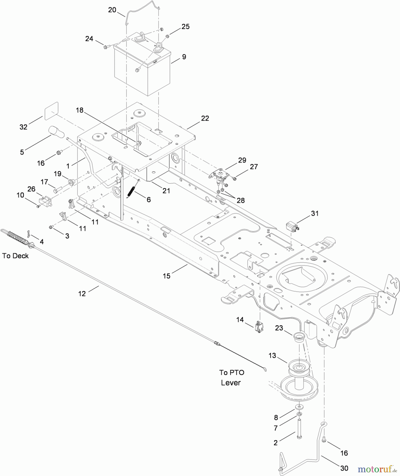
Toro 13AX91RS848 (LX427) - LX427 Lawn Tractor, 2010 (1-1) FRAME, BATTERY AND PTO ASSEMBLY Ersatzteile
FRAME, BATTERY AND PTO ASSEMBLY 13AX91RS848 (LX427) - Toro LX427 Lawn Tractor, 2010 (1-1)

Hier finden Sie die Ersatzteilzeichnung für Toro Neu Mowers, Lawn & Garden Tractor Seite 1 13AX91RS848 (LX427) - Toro LX427 Lawn Tractor, 2010 (1-1) FRAME, BATTERY AND PTO ASSEMBLY. Wählen Sie das benötigte Ersatzteil aus der Ersatzteilliste Ihres Toro Gerätes aus und bestellen Sie einfach online. Viele Toro Ersatzteile halten wir ständig in unserem Lager für Sie bereit.


Qualitätsmanagement
Informieren Sie uns, wenn Sie einen Fehler gefunden haben.

