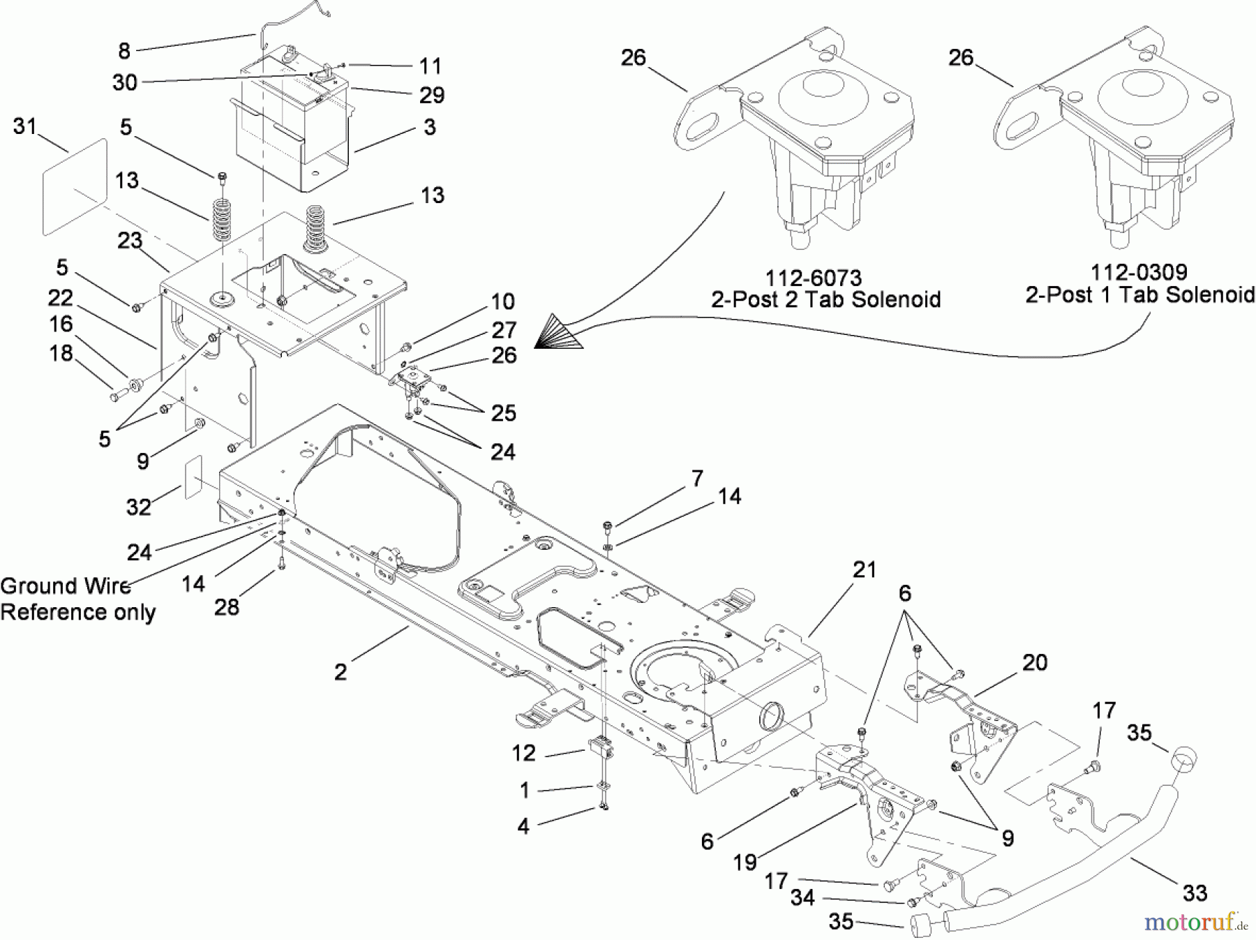
Toro 13AX61RH544 (LX465) - LX465 Lawn Tractor, 2007 (SN 1A117H10393-) FRAME AND BATTERY ASSEMBLY Ersatzteile
FRAME AND BATTERY ASSEMBLY 13AX61RH544 (LX465) - Toro LX465 Lawn Tractor, 2007 (SN 1A117H10393-)

Hier finden Sie die Ersatzteilzeichnung für Toro Neu Mowers, Lawn & Garden Tractor Seite 1 13AX61RH544 (LX465) - Toro LX465 Lawn Tractor, 2007 (SN 1A117H10393-) FRAME AND BATTERY ASSEMBLY. Wählen Sie das benötigte Ersatzteil aus der Ersatzteilliste Ihres Toro Gerätes aus und bestellen Sie einfach online. Viele Toro Ersatzteile halten wir ständig in unserem Lager für Sie bereit.


Qualitätsmanagement
Informieren Sie uns, wenn Sie einen Fehler gefunden haben.

