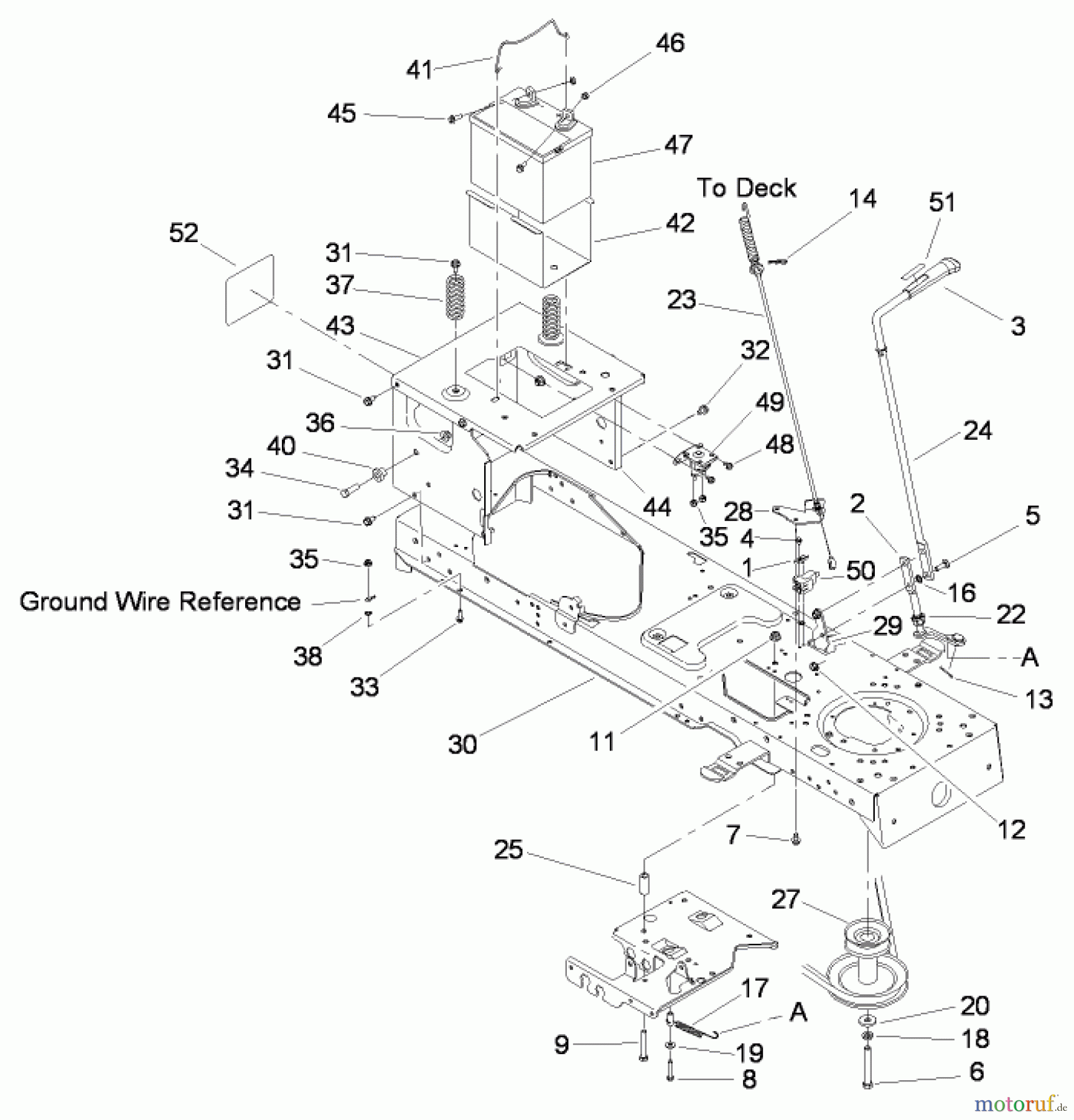
Toro 13AT61RH048 (LX466) - LX466 Lawn Tractor, 2008 (SN 1L137H10100-) FRAME, BATTERY AND MANUAL PTO ASSEMBLY Ersatzteile
FRAME, BATTERY AND MANUAL PTO ASSEMBLY 13AT61RH048 (LX466) - Toro LX466 Lawn Tractor, 2008 (SN 1L137H10100-)

Hier finden Sie die Ersatzteilzeichnung für Toro Neu Mowers, Lawn & Garden Tractor Seite 1 13AT61RH048 (LX466) - Toro LX466 Lawn Tractor, 2008 (SN 1L137H10100-) FRAME, BATTERY AND MANUAL PTO ASSEMBLY. Wählen Sie das benötigte Ersatzteil aus der Ersatzteilliste Ihres Toro Gerätes aus und bestellen Sie einfach online. Viele Toro Ersatzteile halten wir ständig in unserem Lager für Sie bereit.


Qualitätsmanagement
Informieren Sie uns, wenn Sie einen Fehler gefunden haben.

