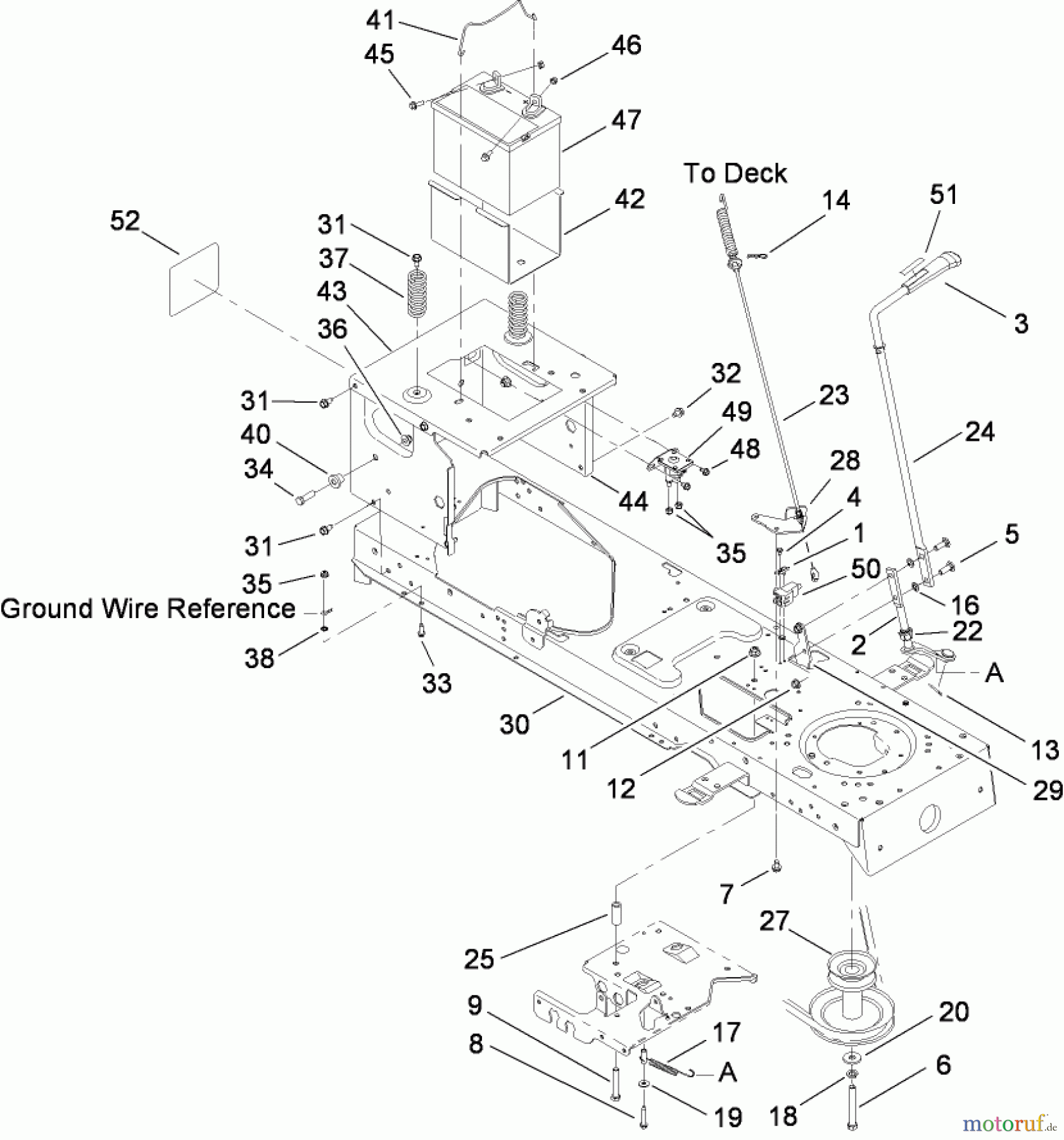
Toro 13AL60RG048 (LX426) - LX426 Lawn Tractor, 2008 (SN 1L107H10100-) FRAME, BATTERY AND PTO ENGAGE ASSEMBLY Ersatzteile
FRAME, BATTERY AND PTO ENGAGE ASSEMBLY 13AL60RG048 (LX426) - Toro LX426 Lawn Tractor, 2008 (SN 1L107H10100-)

Hier finden Sie die Ersatzteilzeichnung für Toro Neu Mowers, Lawn & Garden Tractor Seite 1 13AL60RG048 (LX426) - Toro LX426 Lawn Tractor, 2008 (SN 1L107H10100-) FRAME, BATTERY AND PTO ENGAGE ASSEMBLY. Wählen Sie das benötigte Ersatzteil aus der Ersatzteilliste Ihres Toro Gerätes aus und bestellen Sie einfach online. Viele Toro Ersatzteile halten wir ständig in unserem Lager für Sie bereit.



