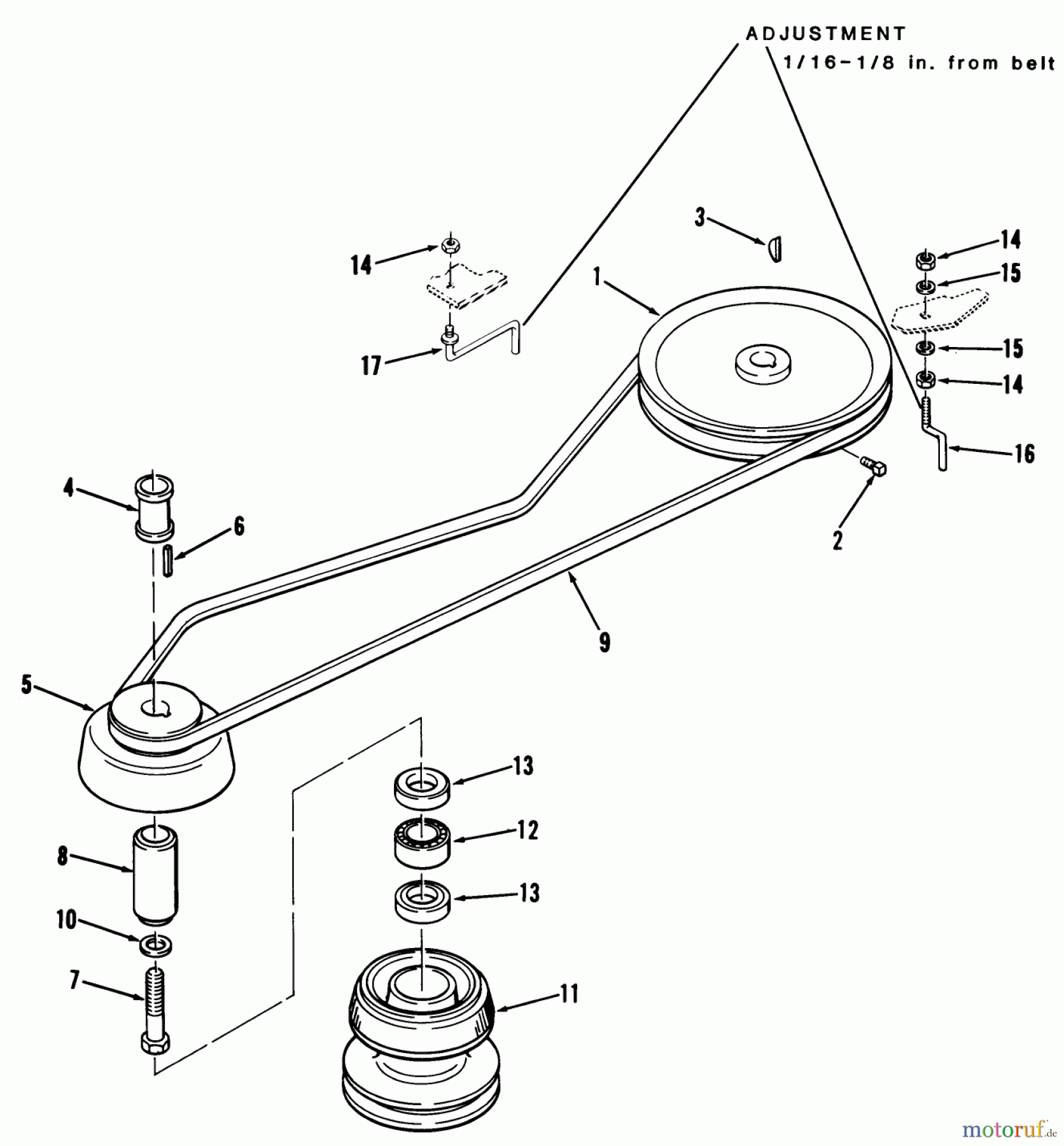
Toro 12-16BP01 (B-165) - B-165 Twin 5-Speed Tractor, 1983 DRIVE BELT AND PULLEYS-5 SPEED MODELS Ersatzteile
DRIVE BELT AND PULLEYS-5 SPEED MODELS 12-16BP01 (B-165) - Toro B-165 Twin 5-Speed Tractor, 1983

Hier finden Sie die Ersatzteilzeichnung für Toro Neu Mowers, Lawn & Garden Tractor Seite 1 12-16BP01 (B-165) - Toro B-165 Twin 5-Speed Tractor, 1983 DRIVE BELT AND PULLEYS-5 SPEED MODELS. Wählen Sie das benötigte Ersatzteil aus der Ersatzteilliste Ihres Toro Gerätes aus und bestellen Sie einfach online. Viele Toro Ersatzteile halten wir ständig in unserem Lager für Sie bereit.


Qualitätsmanagement
Informieren Sie uns, wenn Sie einen Fehler gefunden haben.

