Toro 12-16BP01 (B-165) - B-165 Twin 5-Speed Tractor, 1983 5-SPEED TRANSMISSION Ersatzteile
5-SPEED TRANSMISSION 12-16BP01 (B-165) - Toro B-165 Twin 5-Speed Tractor, 1983

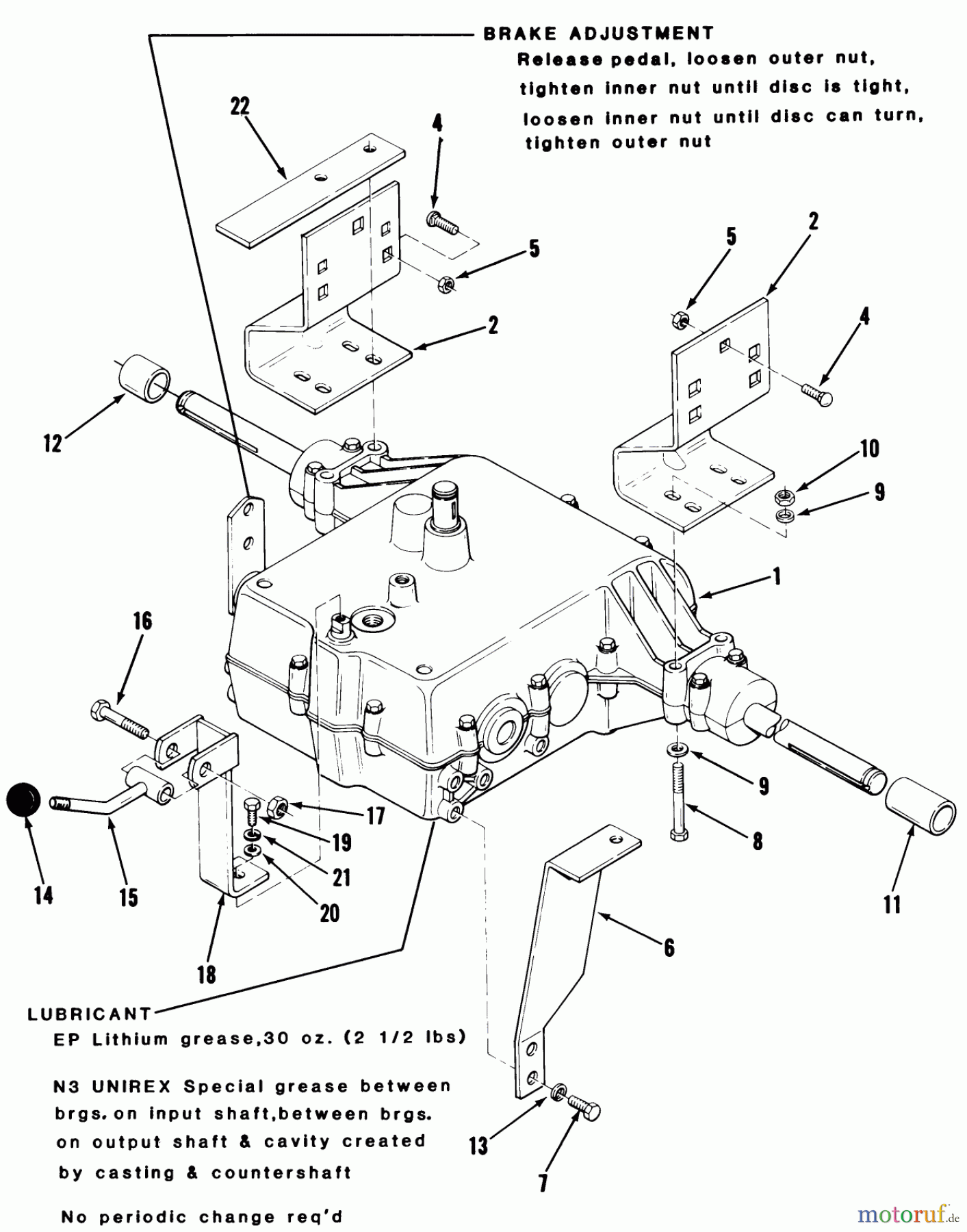
Hier finden Sie die Ersatzteilzeichnung für Toro Neu Mowers, Lawn & Garden Tractor Seite 1 12-16BP01 (B-165) - Toro B-165 Twin 5-Speed Tractor, 1983 5-SPEED TRANSMISSION. Wählen Sie das benötigte Ersatzteil aus der Ersatzteilliste Ihres Toro Gerätes aus und bestellen Sie einfach online. Viele Toro Ersatzteile halten wir ständig in unserem Lager für Sie bereit.


Qualitätsmanagement
Informieren Sie uns, wenn Sie einen Fehler gefunden haben.



