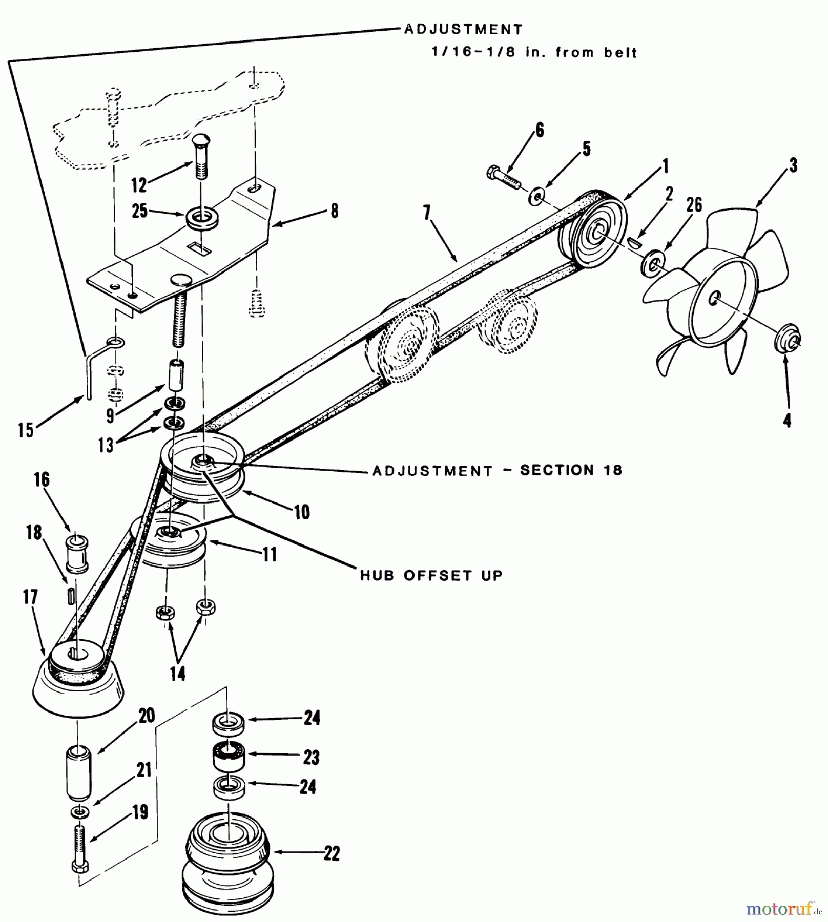
Toro 12-11BP02 (B-115) - B-115 5-Speed Tractor, 1984 DRIVE BELT AND PULLEYS-AUTOMATIC MODELS Ersatzteile
DRIVE BELT AND PULLEYS-AUTOMATIC MODELS 12-11BP02 (B-115) - Toro B-115 5-Speed Tractor, 1984

Hier finden Sie die Ersatzteilzeichnung für Toro Neu Mowers, Lawn & Garden Tractor Seite 1 12-11BP02 (B-115) - Toro B-115 5-Speed Tractor, 1984 DRIVE BELT AND PULLEYS-AUTOMATIC MODELS. Wählen Sie das benötigte Ersatzteil aus der Ersatzteilliste Ihres Toro Gerätes aus und bestellen Sie einfach online. Viele Toro Ersatzteile halten wir ständig in unserem Lager für Sie bereit.





