Toro 12-11BP02 (B-115) - B-115 5-Speed Tractor, 1984 AUTOMATIC TRANSMISSION Ersatzteile
AUTOMATIC TRANSMISSION 12-11BP02 (B-115) - Toro B-115 5-Speed Tractor, 1984

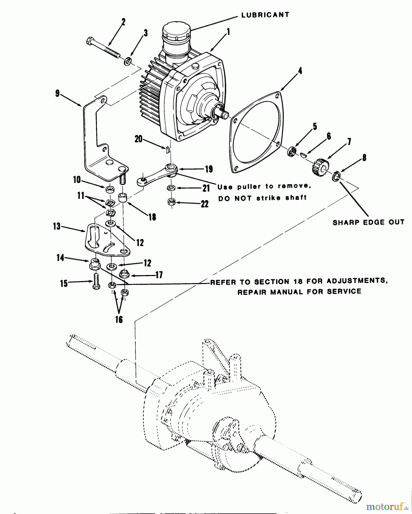
Hier finden Sie die Ersatzteilzeichnung für Toro Neu Mowers, Lawn & Garden Tractor Seite 1 12-11BP02 (B-115) - Toro B-115 5-Speed Tractor, 1984 AUTOMATIC TRANSMISSION. Wählen Sie das benötigte Ersatzteil aus der Ersatzteilliste Ihres Toro Gerätes aus und bestellen Sie einfach online. Viele Toro Ersatzteile halten wir ständig in unserem Lager für Sie bereit.


Qualitätsmanagement
 Informieren Sie uns, wenn Sie einen Fehler gefunden haben.




