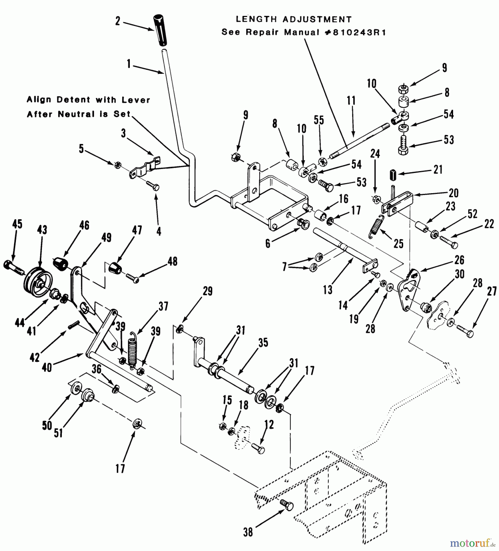
Toro 11-17K801 (C-175) - C-175 Twin 8-Speed Tractor, 1983 CLUTCH, BRAKE AND SPEED CONTROL LINKAGE #2 Ersatzteile
CLUTCH, BRAKE AND SPEED CONTROL LINKAGE #2 11-17K801 (C-175) - Toro C-175 Twin 8-Speed Tractor, 1983

Hier finden Sie die Ersatzteilzeichnung für Toro Neu Mowers, Lawn & Garden Tractor Seite 1 11-17K801 (C-175) - Toro C-175 Twin 8-Speed Tractor, 1983 CLUTCH, BRAKE AND SPEED CONTROL LINKAGE #2. Wählen Sie das benötigte Ersatzteil aus der Ersatzteilliste Ihres Toro Gerätes aus und bestellen Sie einfach online. Viele Toro Ersatzteile halten wir ständig in unserem Lager für Sie bereit.


Qualitätsmanagement
Informieren Sie uns, wenn Sie einen Fehler gefunden haben.




