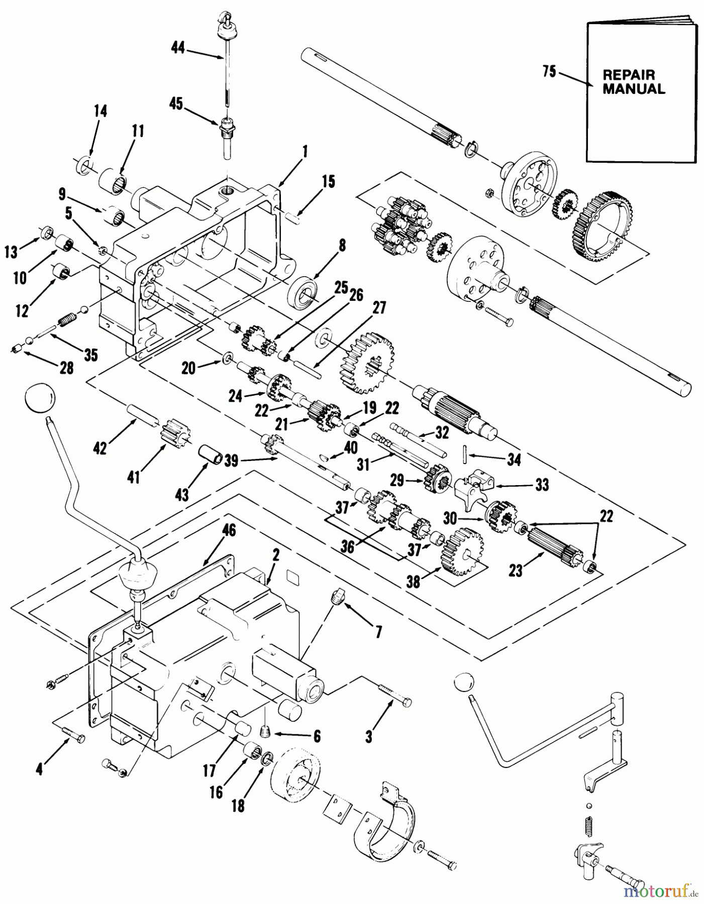
Toro 11-16K801 (C-165) - C-165 8-Speed Tractor, 1984 MECHANICAL TRANSMISSION-8-SPEED #1 Ersatzteile
MECHANICAL TRANSMISSION-8-SPEED #1 11-16K801 (C-165) - Toro C-165 8-Speed Tractor, 1984

Hier finden Sie die Ersatzteilzeichnung für Toro Neu Mowers, Lawn & Garden Tractor Seite 1 11-16K801 (C-165) - Toro C-165 8-Speed Tractor, 1984 MECHANICAL TRANSMISSION-8-SPEED #1. Wählen Sie das benötigte Ersatzteil aus der Ersatzteilliste Ihres Toro Gerätes aus und bestellen Sie einfach online. Viele Toro Ersatzteile halten wir ständig in unserem Lager für Sie bereit.


Qualitätsmanagement
Informieren Sie uns, wenn Sie einen Fehler gefunden haben.


