Einstellungen Computer

Toro 1-7441 (GT-14) - GT-14 Tractor, 1969 5070 TRANSMISSION FOR 1-7441 TRACTOR Ersatzteile

5070 TRANSMISSION FOR 1-7441 TRACTOR 1-7441 (GT-14) - Toro GT-14 Tractor, 1969

 Toro Neu Mowers, Lawn & Garden Tractor Seite 1 1-7441 (GT-14) - Toro GT-14 Tractor, 1969 5070 TRANSMISSION FOR 1-7441 TRACTOR

Hier finden Sie die Ersatzteilzeichnung für Toro Neu Mowers, Lawn & Garden Tractor Seite 1 1-7441 (GT-14) - Toro GT-14 Tractor, 1969 5070 TRANSMISSION FOR 1-7441 TRACTOR. Wählen Sie das benötigte Ersatzteil aus der Ersatzteilliste Ihres Toro Gerätes aus und bestellen Sie einfach online. Viele Toro Ersatzteile halten wir ständig in unserem Lager für Sie bereit.

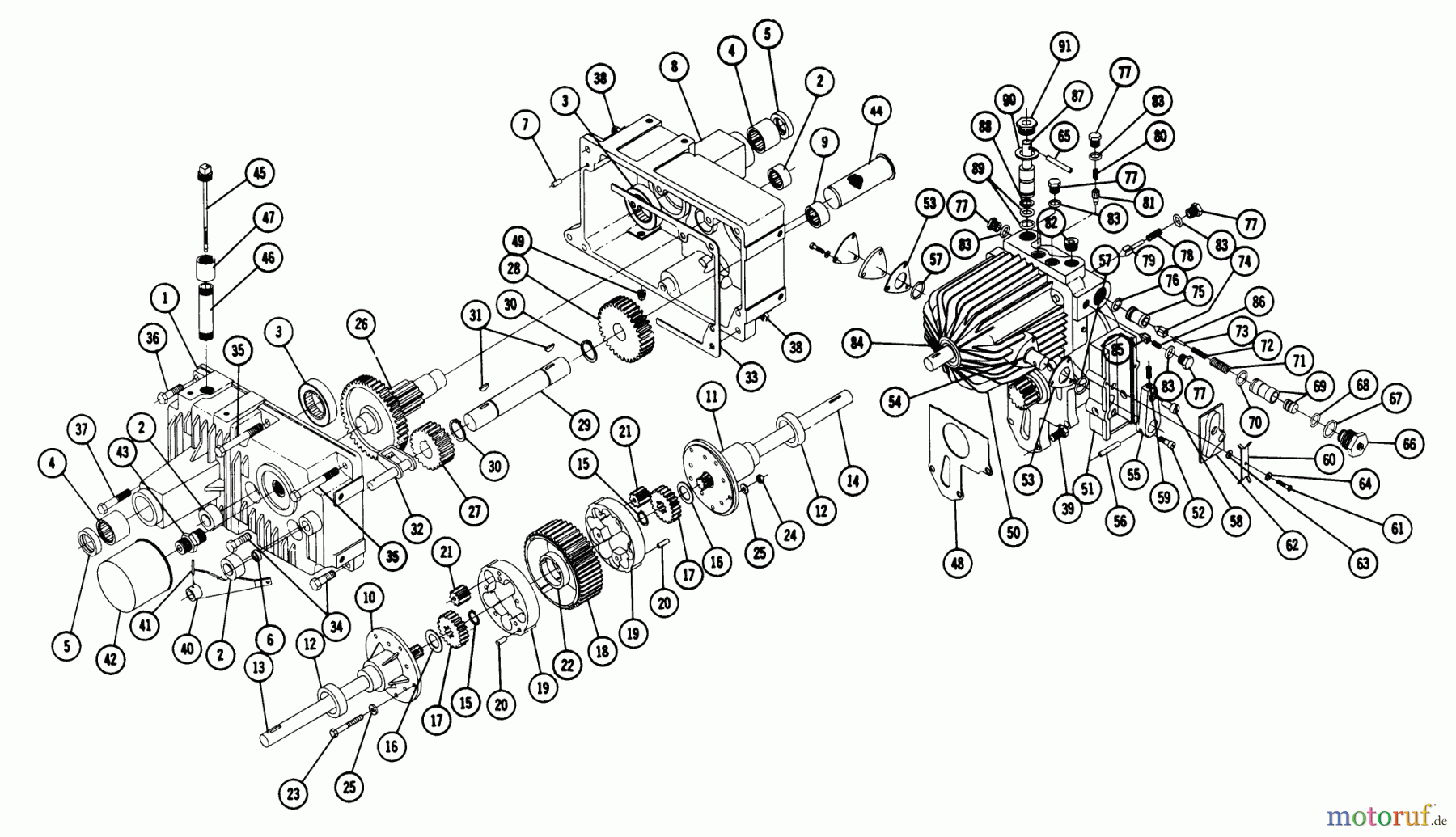
BildNrArtikel NummerBezeichnung
1 TR103636DISCONTINUED
2 TR1532Nadellager
3 TR8048DISCONTINUED
4 TR1526
5 TR6449Dichtung (2)
6 TR5959DISCONTINUED
7 TR3915PIN-DOWEL
8 TR102617DISCONTINUED
9 TR5960DISCONTINUED
10 TR8050DISCONTINUED
11 TR8051DISCONTINUED
12 TR8052RACE BEARING
13 TR8054DISCONTINUED
14 TR8054DISCONTINUED
15 TR7169Seegerring (2)
16 TR7199DISCONTINUED
17 TR8053SIDE GEAR
18 TR7196DISCONTINUED
19 TR7200BULLT 252
20 TR933209DISCONTINUED
21 TR8056DISCONTINUED
22 TR7235DISCONTINUED
23 TR908138-4
24 TR32-9639
25 Toro WASHER-FLATTR3256-24WASHER-FLAT
26 TR6452DISCONTINUED XREF
27 TR5963DISCONTINUED
28 TR8057DISCONTINUED
29 TR5965SHAFT GEAR
30 TR32151-29Ring
31 TR3257-5Keil
32 TR5966DISCONTINUED
33 TR5999Dichtung
34 Toro SchraubeTR3231-2Schraube
35 TR3233-9Bolzen
36 TR908039-4
37 TR908043-4
38 TR915113-6
39 TR908034-6
40 TR8058DISCONTINUED
41 TR32121-50PIN-SPRING
42 TR79-5270OIL FILTER ASM
43 TR5991FITTING
44 TR106047Filtersieb
45 TR6155-PPARTS CATALOG
46 TR943346-4
47 TR94-3004Antriebswelle
48 TR5955DISCONTINUED
49 TR285-22Stopfen
50 TR8061SER BULLT 437B
51 TR5993DISCONTINUED
52 TR911037DISCONTINUED
53 TR6826DISCONTINUED
54 TR972116DISCONTINUE
55 TR5994
56 TR93-3215DISCONTINUED
57 TR970026O.Ring
58 TR5995Bolzen
59 TR909849-5
60 TR5998DISCONTINUED
61 TR909000-4
62 TR5996Plastikdeckel (2)
63 TR920229-4
64 TR920078-4
65 TR93-3196Achsschenkel Rechts
66 TR6444DISCONTINUED
67 TR970118DISCONTINUED
68 TR971015O RING
69 TR7054DISCONTINUED
70 TR971018O-Ring (2)
71 TR7264DISCONTINUED
72 TR9215Feder
73 TR7051DISCONTINUED
74 TR7050DISCONTINUED
75 TR7049SLEEVE RELIEF VALVE
76 TR971017DISCONTINUED
77 TR25-2460Stopfen
78 TR7753Feder
79 TR7754DISCONTINUED
80 TR7755
81 TR7756DISCONTINUED
82 TR943462DISCONTINUED
83 TR97-3310HUB AND BACKPLATE
84 TR7877Simmerring
85 TR6632DISCONTINUED
86 TR6631FEDER
87 TR7226Kabel
88 TR7268DISCONTINUED
89 TR971113DISCONTINUED
90 TR9202DUP PART SEE $BOOK
91 TR7267DISCONTINUED
Rasen
Bankeinzug, MasterCard, Visa, American Express, PayPal, Nachnahme, Vorauskasse, Sofortüberweisung
Datenschutzerklärung Impressum
Qualitätsmanagement
Informieren Sie uns, wenn Sie einen Fehler gefunden haben.