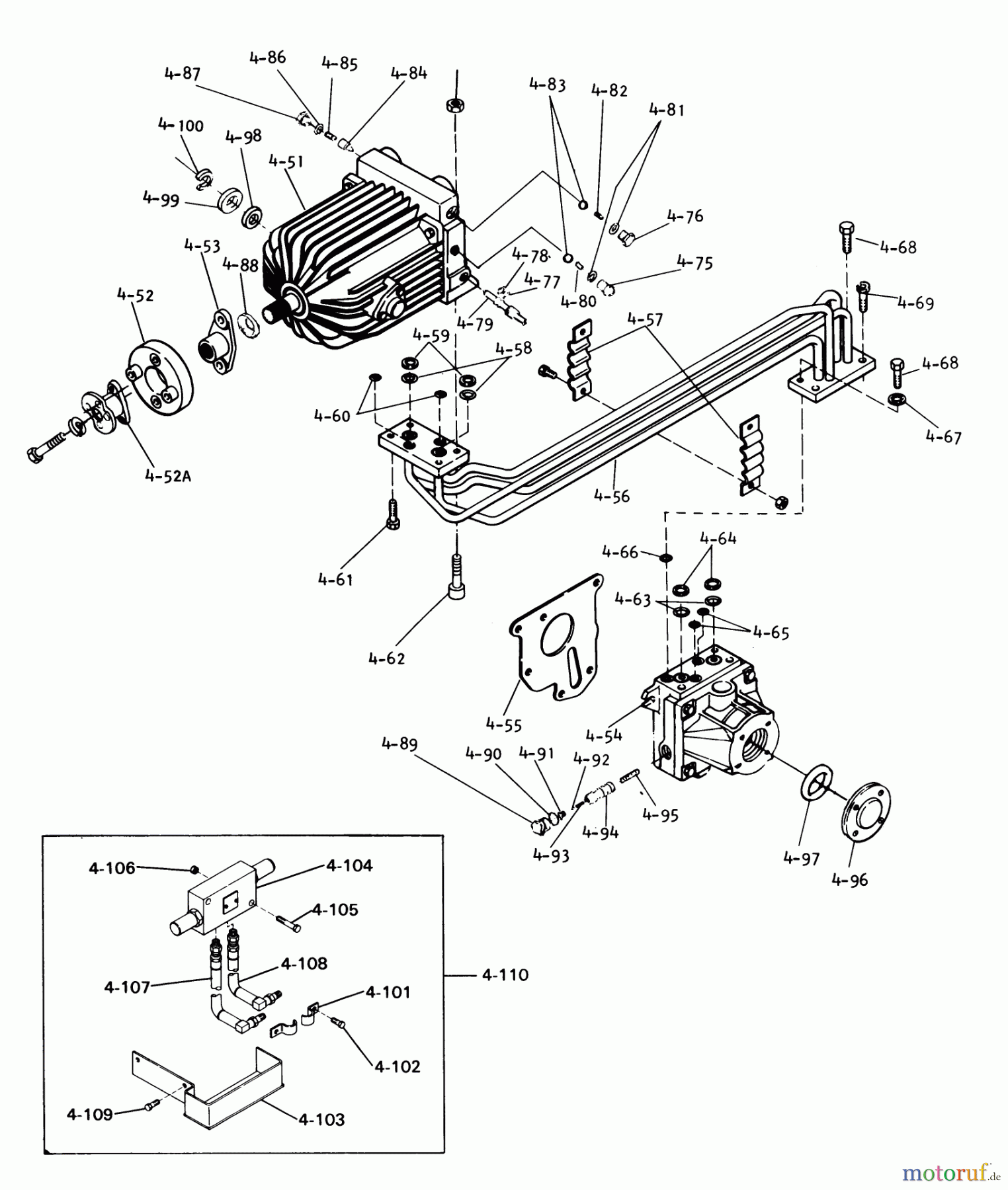
Toro 1-0651 (D-160) - D-160 Automatic Tractor, 1975 4.050 HYDROSTATIC TRANSMISSION (FIG. 4B) Ersatzteile
4.050 HYDROSTATIC TRANSMISSION (FIG. 4B) 1-0651 (D-160) - Toro D-160 Automatic Tractor, 1975

Hier finden Sie die Ersatzteilzeichnung für Toro Neu Mowers, Lawn & Garden Tractor Seite 1 1-0651 (D-160) - Toro D-160 Automatic Tractor, 1975 4.050 HYDROSTATIC TRANSMISSION (FIG. 4B). Wählen Sie das benötigte Ersatzteil aus der Ersatzteilliste Ihres Toro Gerätes aus und bestellen Sie einfach online. Viele Toro Ersatzteile halten wir ständig in unserem Lager für Sie bereit.




