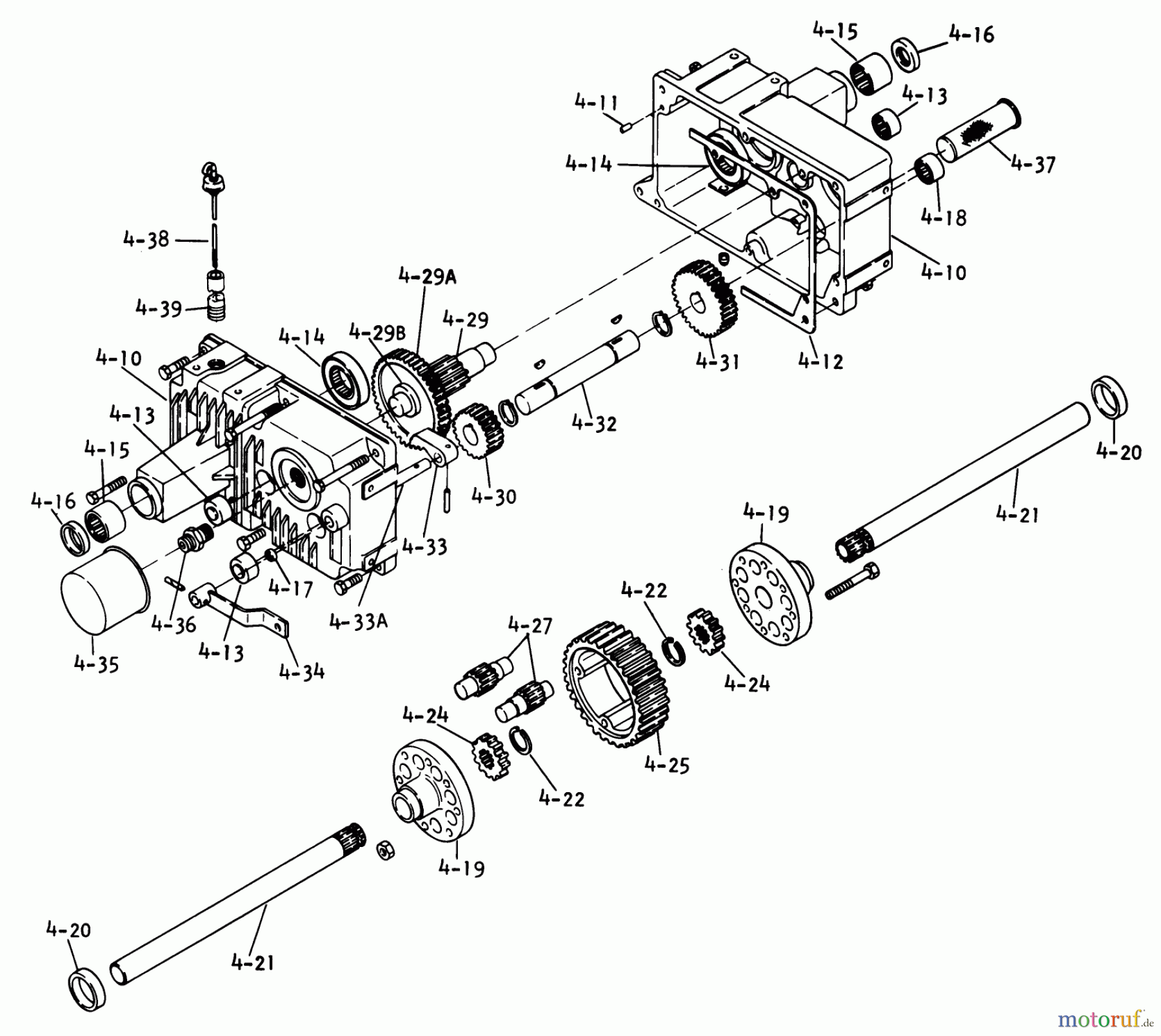
Toro 1-0651 (D-160) - D-160 Automatic Tractor, 1975 4.010 TRANSAXLE-COMPONENT PARTS (FIG. 4A) Ersatzteile
4.010 TRANSAXLE-COMPONENT PARTS (FIG. 4A) 1-0651 (D-160) - Toro D-160 Automatic Tractor, 1975

Hier finden Sie die Ersatzteilzeichnung für Toro Neu Mowers, Lawn & Garden Tractor Seite 1 1-0651 (D-160) - Toro D-160 Automatic Tractor, 1975 4.010 TRANSAXLE-COMPONENT PARTS (FIG. 4A). Wählen Sie das benötigte Ersatzteil aus der Ersatzteilliste Ihres Toro Gerätes aus und bestellen Sie einfach online. Viele Toro Ersatzteile halten wir ständig in unserem Lager für Sie bereit.


Qualitätsmanagement
Informieren Sie uns, wenn Sie einen Fehler gefunden haben.





