Toro 1-0430 - 14 hp Automatic Tractor, 1973 PARTS LIST FOR 4.050 HYDROGEAR (PLATE 4.4) Ersatzteile
PARTS LIST FOR 4.050 HYDROGEAR (PLATE 4.4) 1-0430 - Toro 14 hp Automatic Tractor, 1973

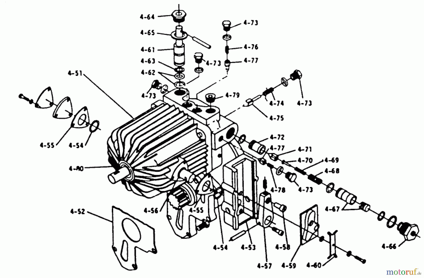
Hier finden Sie die Ersatzteilzeichnung für Toro Neu Mowers, Lawn & Garden Tractor Seite 1 1-0430 - Toro 14 hp Automatic Tractor, 1973 PARTS LIST FOR 4.050 HYDROGEAR (PLATE 4.4). Wählen Sie das benötigte Ersatzteil aus der Ersatzteilliste Ihres Toro Gerätes aus und bestellen Sie einfach online. Viele Toro Ersatzteile halten wir ständig in unserem Lager für Sie bereit.
| BildNr | Artikel Nummer | Bezeichnung | |
| 4-53 | TR5993 | DISCONTINUED | |
| 4-53 | TR911037 | DISCONTINUED | |
| 4-54 | TR970026 | O.Ring | |
| 4-55 | TR6826 | DISCONTINUED | |
| 4-56 | TR972116 | DISCONTINUE | |
| 4-57 | TR5994 | ||
| 4-57 | TR933269 | Splint (10) | |
| 4-58 | TR5995 | Bolzen | |
| 4-58 | TR909849-5 | ||
| 4-59 | TR5996 | Plastikdeckel (2) | |
| 4-60 | TR5998 | DISCONTINUED | |
| 4-60 | TR910777-4 | ||
| 4-60 | TR920078-4 | ||
| 4-60 | TR920229-4 | ||
| 4-57 | TR102787 | DISCONTINUED | |
| 4-51 | TR7880 | SRV BULLT 437B | |
| 4-51 | TR908034-6 | ||
| 4-52 | TR5955 | DISCONTINUED | |
| 4-61 | TR7266 | DISCONTINUED | |
| 4-61 | TR93-3196 | Achsschenkel Rechts | |
| 4-62 | TR971113 | DISCONTINUED | |
| 4-63 | TR7268 | DISCONTINUED | |
| 4-64 | TR7267 | DISCONTINUED | |
| 4-66 | TR6444 | DISCONTINUED | |
| 4-66 | TR970118 | DISCONTINUED | |
| 4-66 | TR971015 | O RING | |
| 4-67 | TR7054 | DISCONTINUED | |
| 4-67 | TR971018 | O-Ring (2) | |
| 4-68 | TR7264 | DISCONTINUED | |
| 4-69 | TR7052 | DISCONTINUED | |
| 4-70 | TR7051 | DISCONTINUED | |
| 4-71 | TR7050 | DISCONTINUED | |
| 4-72 | TR7049 | SLEEVE RELIEF VALVE | |
| 4-72 | TR971017 | DISCONTINUED | |
| 4-73 | TR25-2460 | Stopfen | |
| 4-73 | TR73310 | ||
| 4-74 | TR7753 | Feder | |
| 4-75 | TR7754 | DISCONTINUED | |
| 4-76 | TR7755 | ||
| 4-77 | TR7756 | DISCONTINUED | |
| 4-78 | TR6631 | FEDER | |
| 4-79 | TR943462 | DISCONTINUED | |
| 4-80 | TR7877 | Simmerring | |



