Toro 1-0402 - Charger 12 Tractor, 1972 TRANSAXLE Ersatzteile
TRANSAXLE 1-0402 - Toro Charger 12 Tractor, 1972

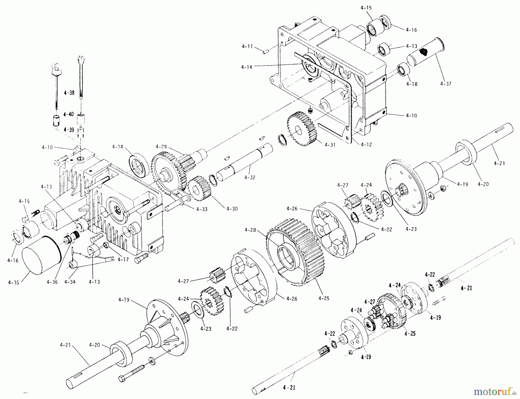
Hier finden Sie die Ersatzteilzeichnung für Toro Neu Mowers, Lawn & Garden Tractor Seite 1 1-0402 - Toro Charger 12 Tractor, 1972 TRANSAXLE. Wählen Sie das benötigte Ersatzteil aus der Ersatzteilliste Ihres Toro Gerätes aus und bestellen Sie einfach online. Viele Toro Ersatzteile halten wir ständig in unserem Lager für Sie bereit.


Qualitätsmanagement
Informieren Sie uns, wenn Sie einen Fehler gefunden haben.


