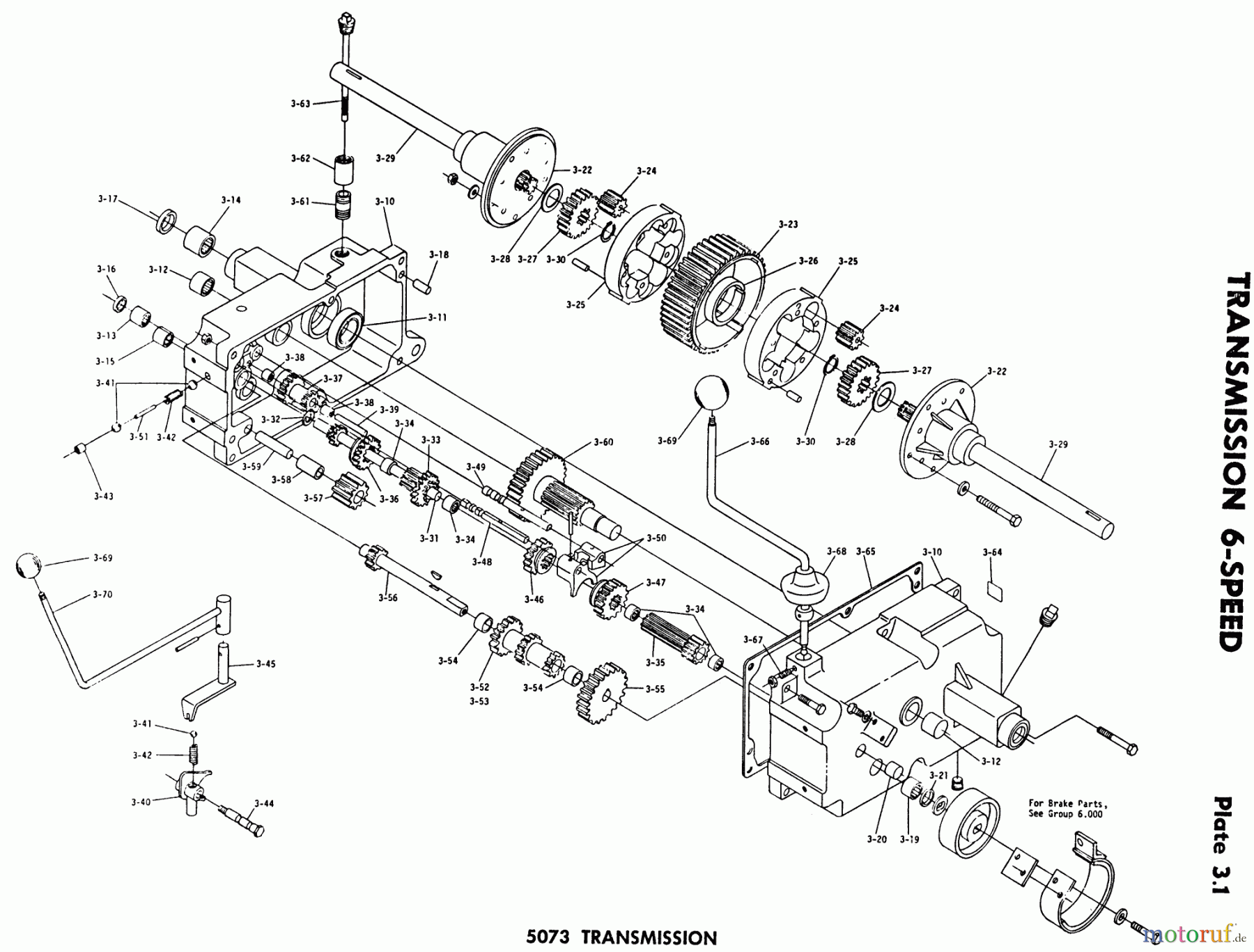
Toro 1-0100 - WorkHorse 800 Tractor, 1971 3.000 TRANSMISSION 6-SPEED-3.010 C0MPONENT PARTS, 5073 TRANS. (PLATE 3.1) Ersatzteile
3.000 TRANSMISSION 6-SPEED-3.010 C0MPONENT PARTS, 5073 TRANS. (PLATE 3.1) 1-0100 - Toro WorkHorse 800 Tractor, 1971

Hier finden Sie die Ersatzteilzeichnung für Toro Neu Mowers, Lawn & Garden Tractor Seite 1 1-0100 - Toro WorkHorse 800 Tractor, 1971 3.000 TRANSMISSION 6-SPEED-3.010 C0MPONENT PARTS, 5073 TRANS. (PLATE 3.1). Wählen Sie das benötigte Ersatzteil aus der Ersatzteilliste Ihres Toro Gerätes aus und bestellen Sie einfach online. Viele Toro Ersatzteile halten wir ständig in unserem Lager für Sie bereit.




