Toro 02-16BP04 (B-165) - B-165 Twin 5-Speed Tractor, 1982 ATTACHMENT LIFT Ersatzteile
ATTACHMENT LIFT 02-16BP04 (B-165) - Toro B-165 Twin 5-Speed Tractor, 1982

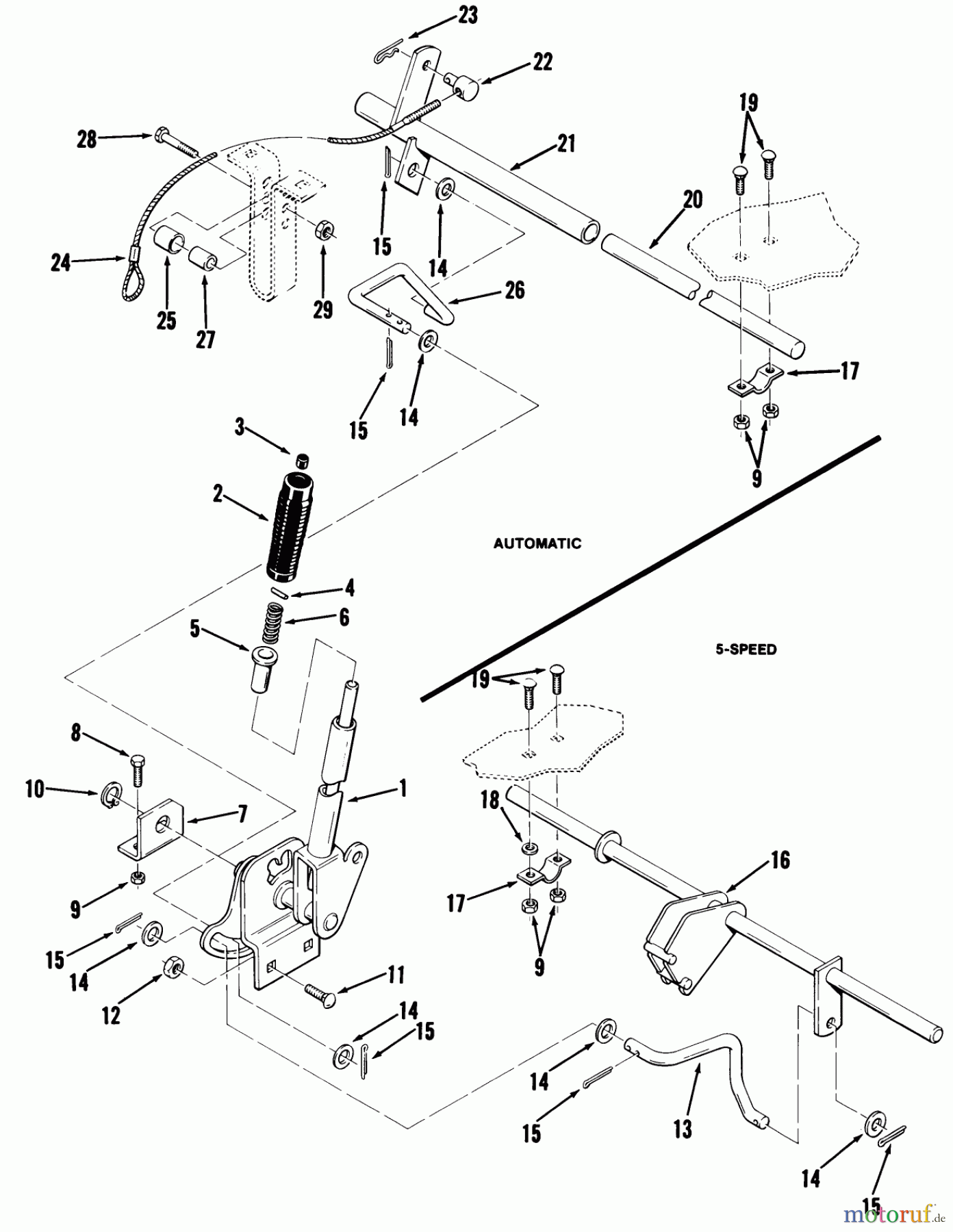
Hier finden Sie die Ersatzteilzeichnung für Toro Neu Mowers, Lawn & Garden Tractor Seite 1 02-16BP04 (B-165) - Toro B-165 Twin 5-Speed Tractor, 1982 ATTACHMENT LIFT. Wählen Sie das benötigte Ersatzteil aus der Ersatzteilliste Ihres Toro Gerätes aus und bestellen Sie einfach online. Viele Toro Ersatzteile halten wir ständig in unserem Lager für Sie bereit.





