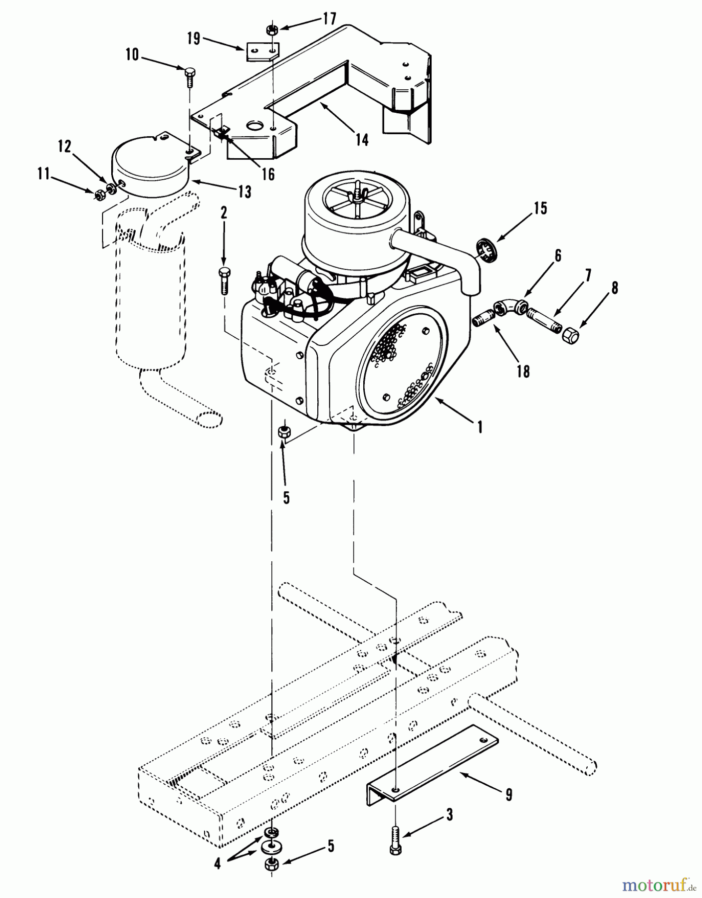
Toro 01-19KE01 (C-195) - C-195 Twin Automatic Tractor, 1982 TWIN CYLINDER ENGINE Ersatzteile
TWIN CYLINDER ENGINE 01-19KE01 (C-195) - Toro C-195 Twin Automatic Tractor, 1982

Hier finden Sie die Ersatzteilzeichnung für Toro Neu Mowers, Lawn & Garden Tractor Seite 1 01-19KE01 (C-195) - Toro C-195 Twin Automatic Tractor, 1982 TWIN CYLINDER ENGINE. Wählen Sie das benötigte Ersatzteil aus der Ersatzteilliste Ihres Toro Gerätes aus und bestellen Sie einfach online. Viele Toro Ersatzteile halten wir ständig in unserem Lager für Sie bereit.


Qualitätsmanagement
Informieren Sie uns, wenn Sie einen Fehler gefunden haben.

