Toro 01-19KE01 (C-195) - C-195 Twin Automatic Tractor, 1982 HITCHES AND LIFT LINKAGE Ersatzteile
HITCHES AND LIFT LINKAGE 01-19KE01 (C-195) - Toro C-195 Twin Automatic Tractor, 1982

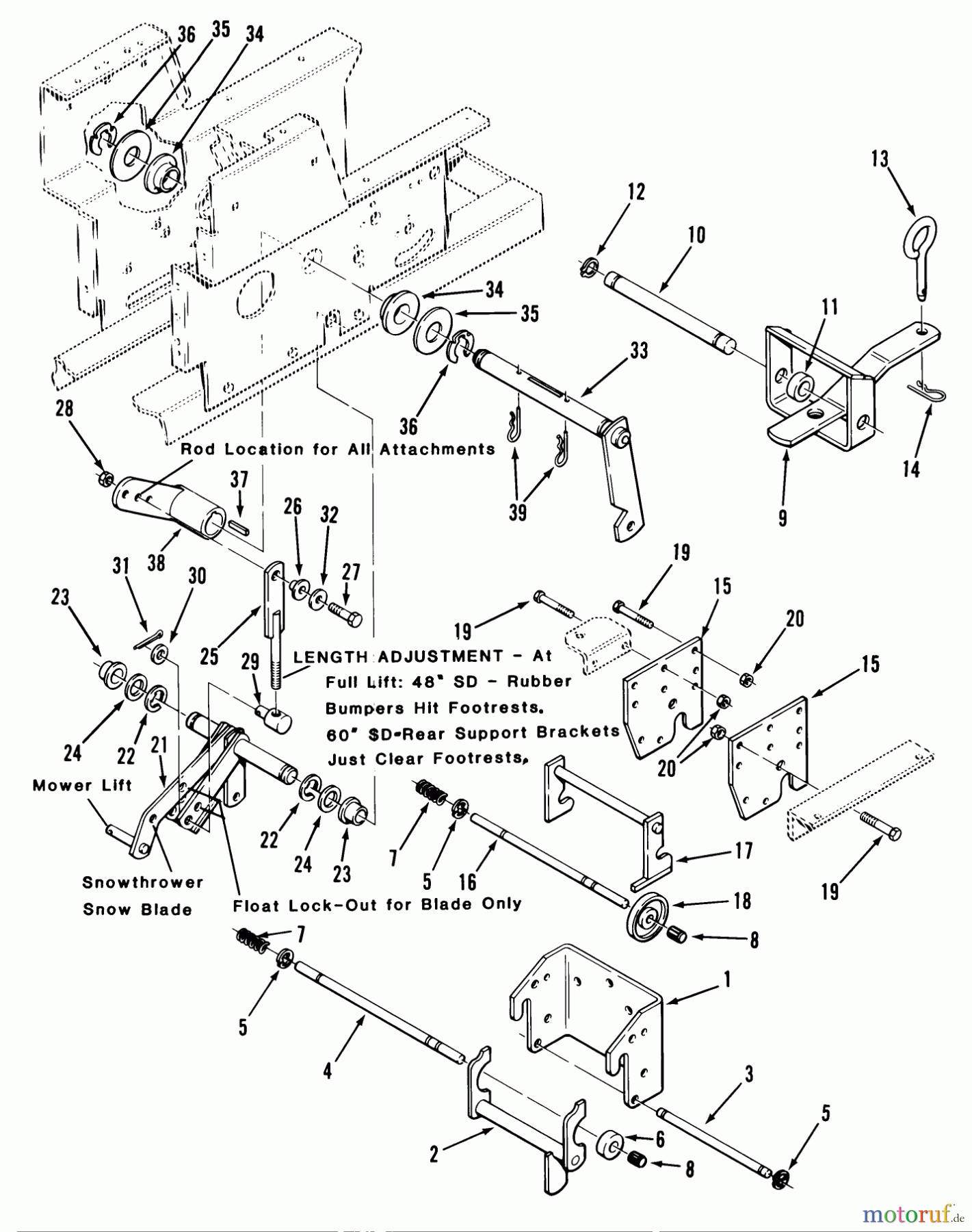
Hier finden Sie die Ersatzteilzeichnung für Toro Neu Mowers, Lawn & Garden Tractor Seite 1 01-19KE01 (C-195) - Toro C-195 Twin Automatic Tractor, 1982 HITCHES AND LIFT LINKAGE. Wählen Sie das benötigte Ersatzteil aus der Ersatzteilliste Ihres Toro Gerätes aus und bestellen Sie einfach online. Viele Toro Ersatzteile halten wir ständig in unserem Lager für Sie bereit.


Qualitätsmanagement
Informieren Sie uns, wenn Sie einen Fehler gefunden haben.

