Toro 01-08K801 (C-81) - C-81 8-Speed Tractor, 1980 ELECTRICAL SYSTEM-SINGLE CYLINDER MODELS Ersatzteile
ELECTRICAL SYSTEM-SINGLE CYLINDER MODELS 01-08K801 (C-81) - Toro C-81 8-Speed Tractor, 1980

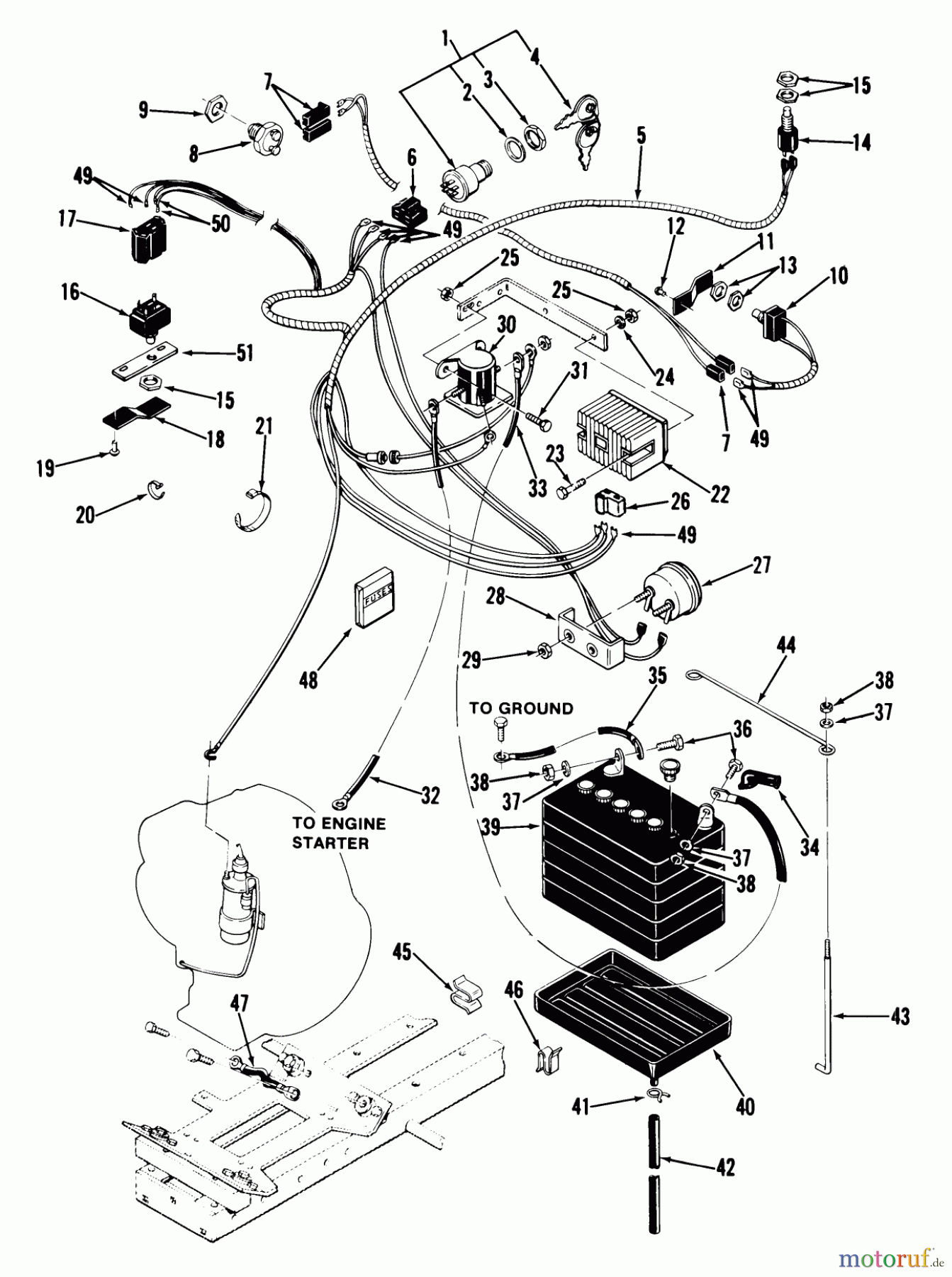
Hier finden Sie die Ersatzteilzeichnung für Toro Neu Mowers, Lawn & Garden Tractor Seite 1 01-08K801 (C-81) - Toro C-81 8-Speed Tractor, 1980 ELECTRICAL SYSTEM-SINGLE CYLINDER MODELS. Wählen Sie das benötigte Ersatzteil aus der Ersatzteilliste Ihres Toro Gerätes aus und bestellen Sie einfach online. Viele Toro Ersatzteile halten wir ständig in unserem Lager für Sie bereit.


Qualitätsmanagement
Informieren Sie uns, wenn Sie einen Fehler gefunden haben.


