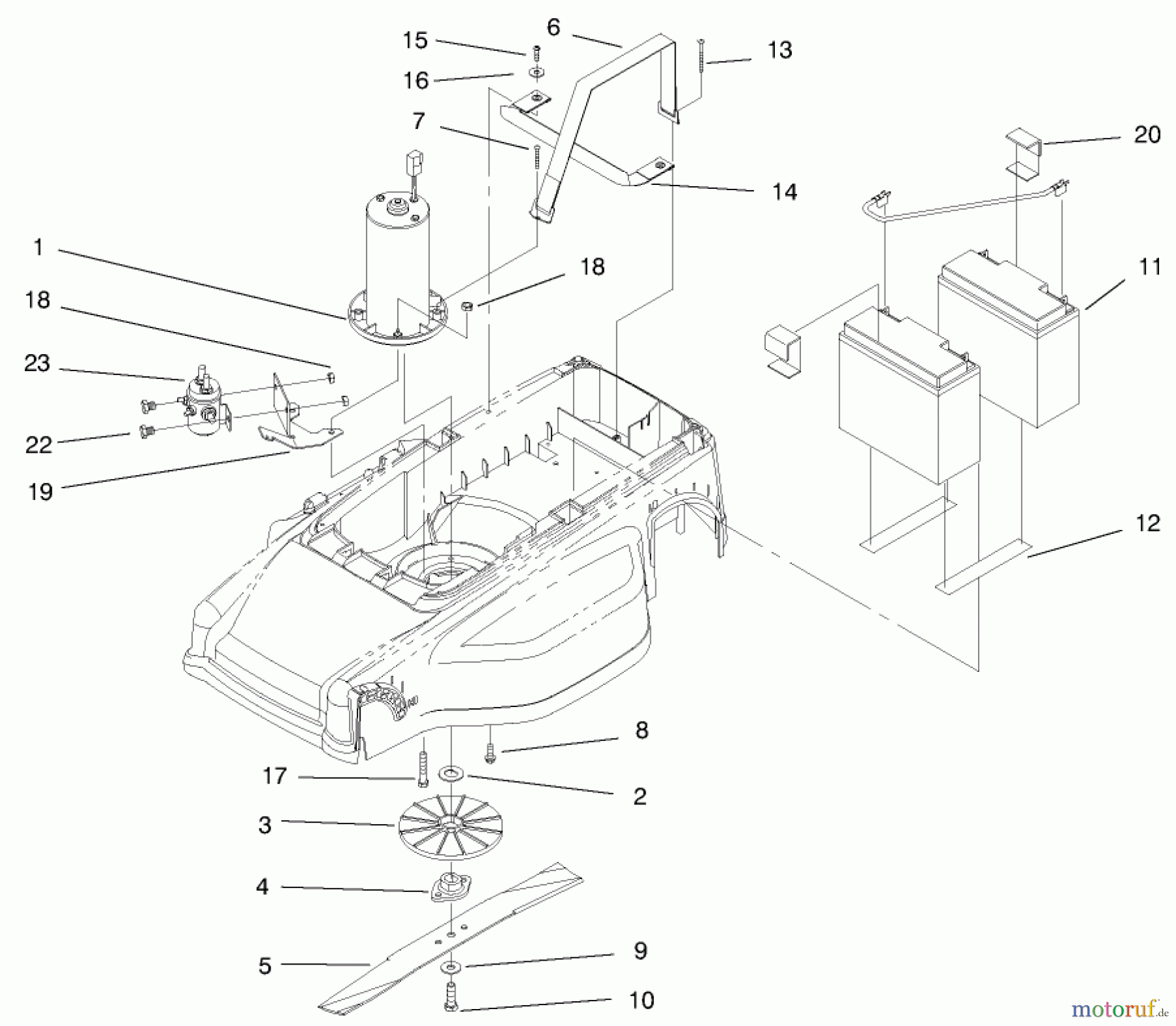
Toro 20647 - Carefree Electric WPM, 24 VDC, 1997 (7900001-7999999) MOTOR, BATTERIES AND BLADE ASSEMBLY Ersatzteile
MOTOR, BATTERIES AND BLADE ASSEMBLY 20647 - Toro Carefree Electric WPM, 24 VDC, 1997 (7900001-7999999)

Hier finden Sie die Ersatzteilzeichnung für Toro Neu Mowers, Electric 20647 - Toro Carefree Electric WPM, 24 VDC, 1997 (7900001-7999999) MOTOR, BATTERIES AND BLADE ASSEMBLY. Wählen Sie das benötigte Ersatzteil aus der Ersatzteilliste Ihres Toro Gerätes aus und bestellen Sie einfach online. Viele Toro Ersatzteile halten wir ständig in unserem Lager für Sie bereit.


Qualitätsmanagement
Informieren Sie uns, wenn Sie einen Fehler gefunden haben.


