Toro 20564 - Electric Lawnmower, 1984 (4000001-4999999) MOTOR BRIGGS & STATTON MODEL NO. 748001-0125-01 Ersatzteile
MOTOR BRIGGS & STATTON MODEL NO. 748001-0125-01 20564 - Toro Electric Lawnmower, 1984 (4000001-4999999)

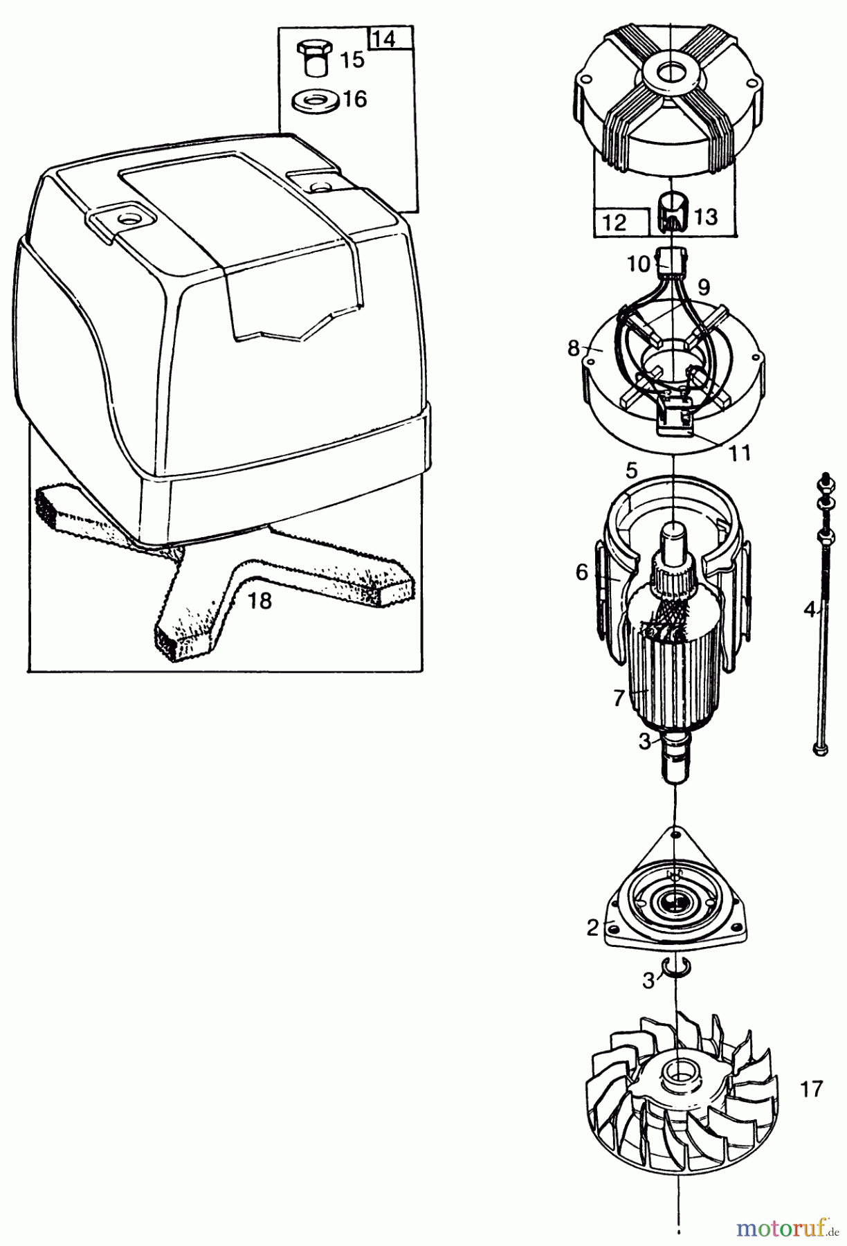
Hier finden Sie die Ersatzteilzeichnung für Toro Neu Mowers, Electric 20564 - Toro Electric Lawnmower, 1984 (4000001-4999999) MOTOR BRIGGS & STATTON MODEL NO. 748001-0125-01. Wählen Sie das benötigte Ersatzteil aus der Ersatzteilliste Ihres Toro Gerätes aus und bestellen Sie einfach online. Viele Toro Ersatzteile halten wir ständig in unserem Lager für Sie bereit.
| BildNr | Artikel Nummer | Bezeichnung | |
| 2 | BS394770 | KUGELLAGER 394768 | |
| 3 | BS395477 | KOLBENRINGSICHERING | |
| 4 | BS395471 | BOLZEN | |
| 5 | BS394750 | LUEFTERGEHAEUSE | |
| 6 | BS395468 | ISO-GEHAEUSE | |
| 7 | BS397976 | ANLASSER-ANKER | |
| 8 | BS280569 | ||
| 9 | BS398575 | ||
| 10 | BS395478 | KABELSATZ | |
| 11 | BS394777 | ||
| 12 | BS398440 | DECKEL | |
| 13 | BS394769 | NADELLAGER | |
| 14 | BS397711 | DECKEL | |
| 15 | BS231298 | MUTTER | |
| 16 | BS690310 | UNTERLEGSCHEIBE | |
| 17 | BS491389 | VENTILATORRAD | |
| 18 | BS271792 | LUFTFILTER | |


Qualitätsmanagement
Informieren Sie uns, wenn Sie einen Fehler gefunden haben.

