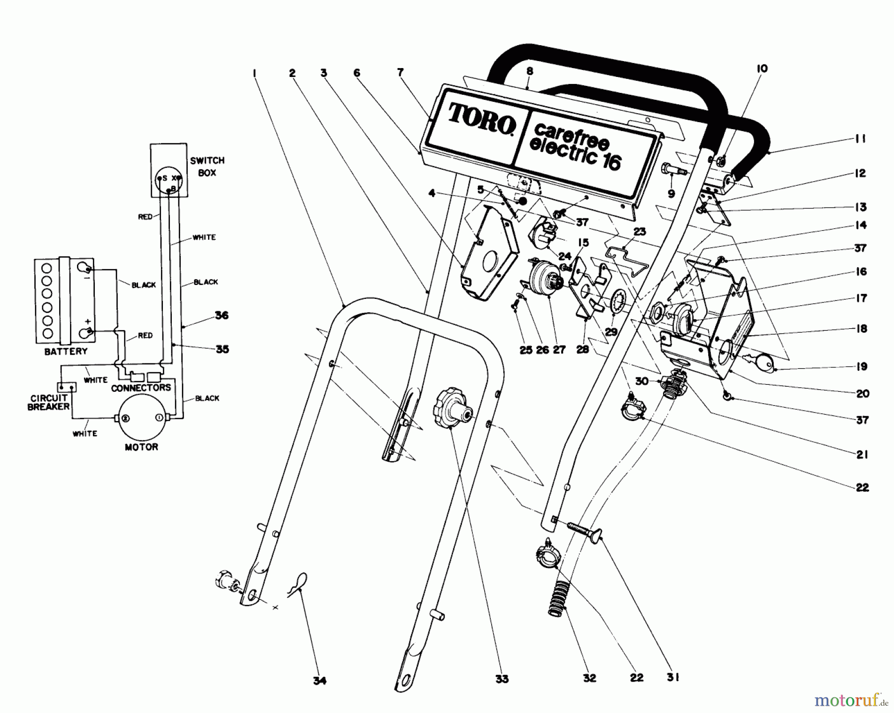
Toro 17002 - Electric Lawnmower, 1975 (5000446-5999999) HANDLE ASSEMBLY Ersatzteile
HANDLE ASSEMBLY 17002 - Toro Electric Lawnmower, 1975 (5000446-5999999)

Hier finden Sie die Ersatzteilzeichnung für Toro Neu Mowers, Electric 17002 - Toro Electric Lawnmower, 1975 (5000446-5999999) HANDLE ASSEMBLY. Wählen Sie das benötigte Ersatzteil aus der Ersatzteilliste Ihres Toro Gerätes aus und bestellen Sie einfach online. Viele Toro Ersatzteile halten wir ständig in unserem Lager für Sie bereit.




