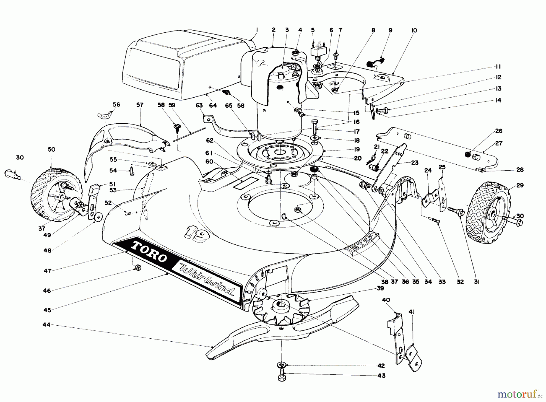
Toro 16050 - Electric Lawnmower, 1972 (2000001-2999999) MAIN FRAME ASSEMBLY Ersatzteile
MAIN FRAME ASSEMBLY 16050 - Toro Electric Lawnmower, 1972 (2000001-2999999)

Hier finden Sie die Ersatzteilzeichnung für Toro Neu Mowers, Electric 16050 - Toro Electric Lawnmower, 1972 (2000001-2999999) MAIN FRAME ASSEMBLY. Wählen Sie das benötigte Ersatzteil aus der Ersatzteilliste Ihres Toro Gerätes aus und bestellen Sie einfach online. Viele Toro Ersatzteile halten wir ständig in unserem Lager für Sie bereit.


Qualitätsmanagement
Informieren Sie uns, wenn Sie einen Fehler gefunden haben.





