Toro 40114 - Power Handle, 1971 (1000001-1999999) POWER HANDLE ASSEMBLY Ersatzteile
POWER HANDLE ASSEMBLY 40114 - Toro Power Handle, 1971 (1000001-1999999)

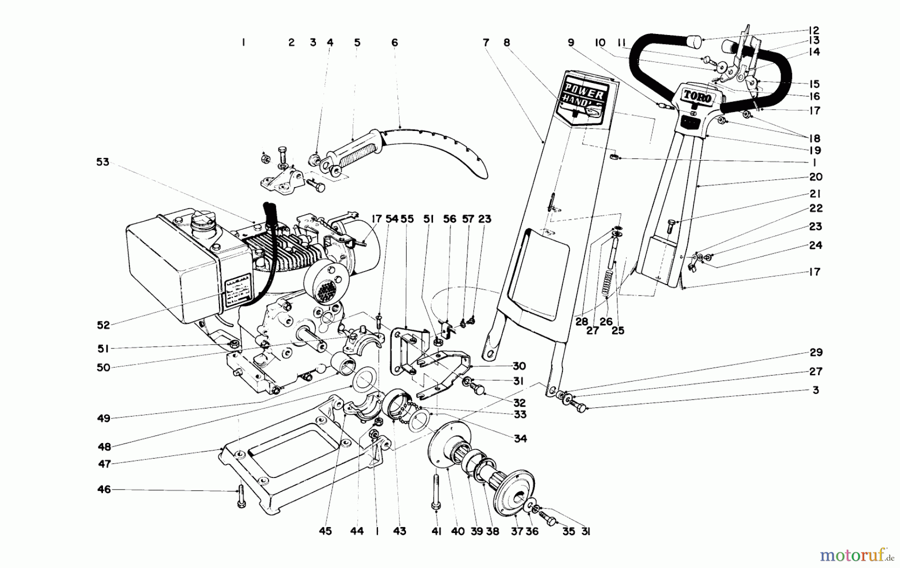
Hier finden Sie die Ersatzteilzeichnung für Toro Neu Mowers, Drive Unit Only 40114 - Toro Power Handle, 1971 (1000001-1999999) POWER HANDLE ASSEMBLY. Wählen Sie das benötigte Ersatzteil aus der Ersatzteilliste Ihres Toro Gerätes aus und bestellen Sie einfach online. Viele Toro Ersatzteile halten wir ständig in unserem Lager für Sie bereit.


Qualitätsmanagement
Informieren Sie uns, wenn Sie einen Fehler gefunden haben.


