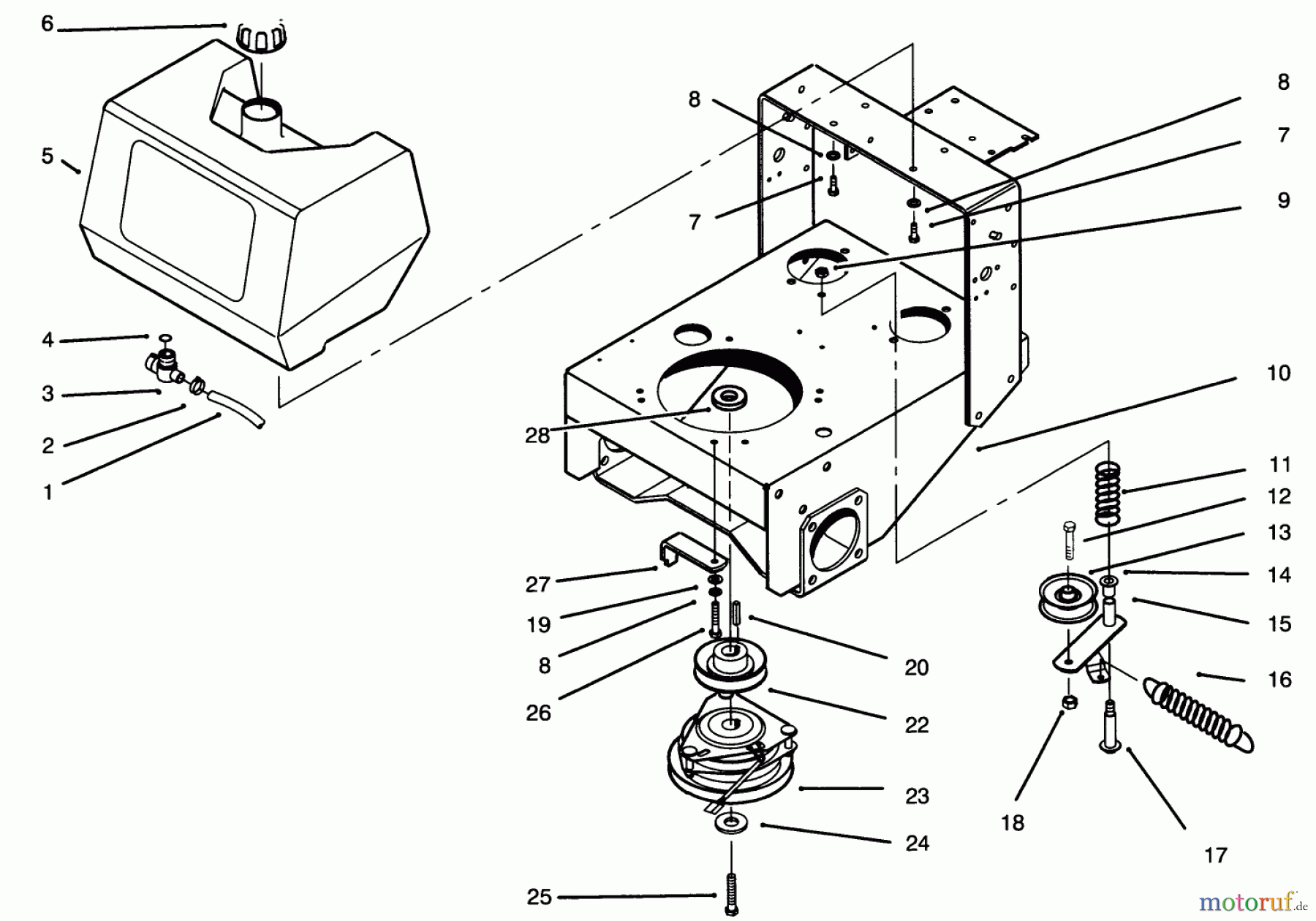
Toro 30191 - Mid-Size Proline Hydro Traction Unit, 20 hp, 1995 (590001-599999) FUEL TANK, CLUTCH & IDLER ASSEMBLY Ersatzteile
FUEL TANK, CLUTCH & IDLER ASSEMBLY 30191 - Toro Mid-Size Proline Hydro Traction Unit, 20 hp, 1995 (590001-599999)

Hier finden Sie die Ersatzteilzeichnung für Toro Neu Mowers, Drive Unit Only 30191 - Toro Mid-Size Proline Hydro Traction Unit, 20 hp, 1995 (590001-599999) FUEL TANK, CLUTCH & IDLER ASSEMBLY. Wählen Sie das benötigte Ersatzteil aus der Ersatzteilliste Ihres Toro Gerätes aus und bestellen Sie einfach online. Viele Toro Ersatzteile halten wir ständig in unserem Lager für Sie bereit.




