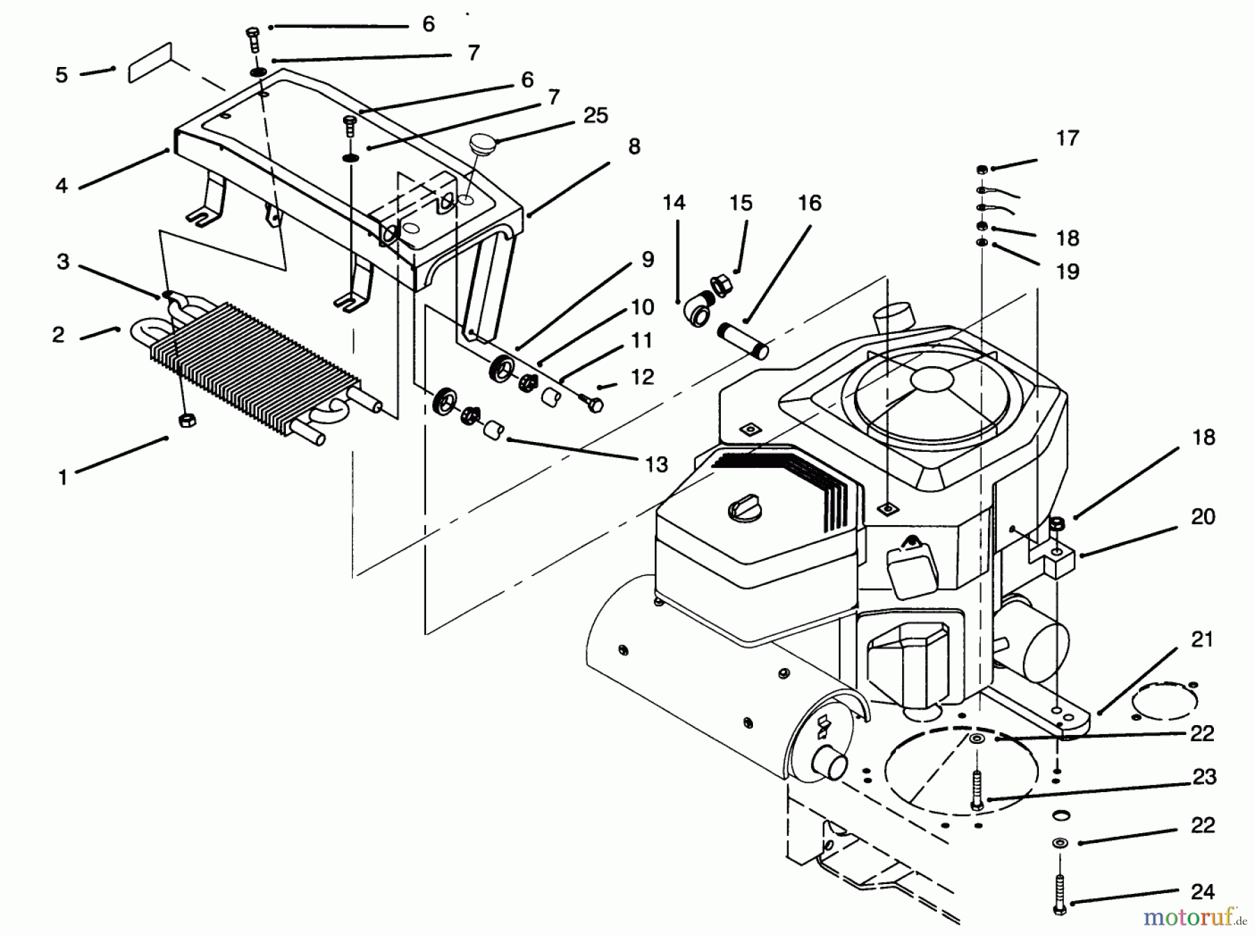
Toro 30191 - Mid-Size Proline Hydro Traction Unit, 20 hp, 1995 (590001-599999) ENGINE,& COOLER Ersatzteile
ENGINE,& COOLER 30191 - Toro Mid-Size Proline Hydro Traction Unit, 20 hp, 1995 (590001-599999)

Hier finden Sie die Ersatzteilzeichnung für Toro Neu Mowers, Drive Unit Only 30191 - Toro Mid-Size Proline Hydro Traction Unit, 20 hp, 1995 (590001-599999) ENGINE,& COOLER. Wählen Sie das benötigte Ersatzteil aus der Ersatzteilliste Ihres Toro Gerätes aus und bestellen Sie einfach online. Viele Toro Ersatzteile halten wir ständig in unserem Lager für Sie bereit.


Qualitätsmanagement
Informieren Sie uns, wenn Sie einen Fehler gefunden haben.



