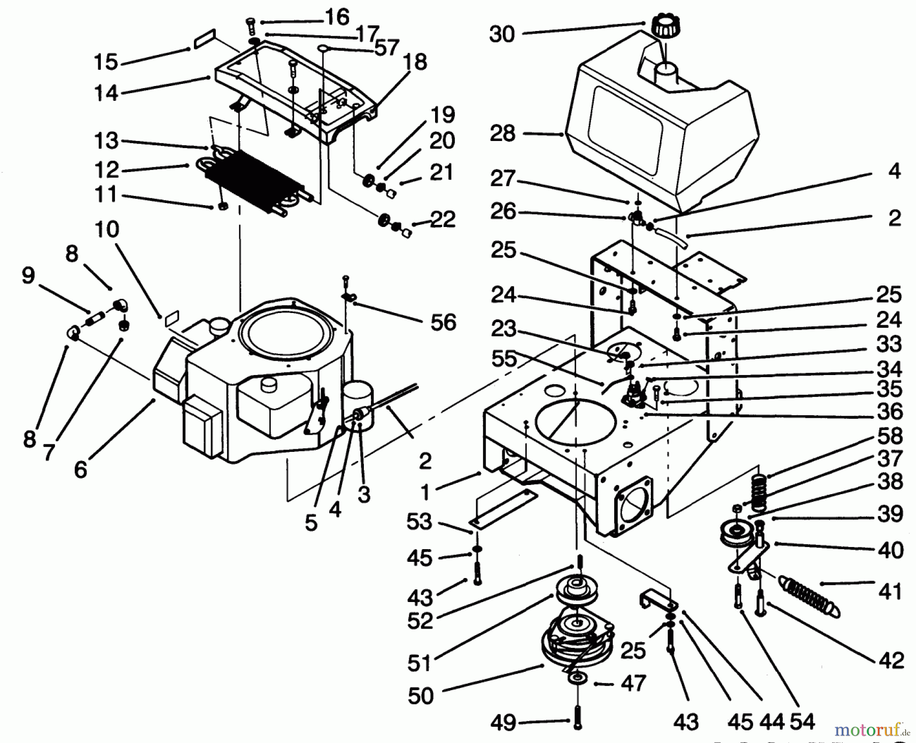
Toro 30185 - Mid-Size Proline Hydro Traction Unit, 14 hp, 1993 (39000001-39999999) FRAME, ENGINE, FUEL TANK, CLUTCH & COOLER ASS-Y Ersatzteile
FRAME, ENGINE, FUEL TANK, CLUTCH & COOLER ASS-Y 30185 - Toro Mid-Size Proline Hydro Traction Unit, 14 hp, 1993 (39000001-39999999)

Hier finden Sie die Ersatzteilzeichnung für Toro Neu Mowers, Drive Unit Only 30185 - Toro Mid-Size Proline Hydro Traction Unit, 14 hp, 1993 (39000001-39999999) FRAME, ENGINE, FUEL TANK, CLUTCH & COOLER ASS-Y. Wählen Sie das benötigte Ersatzteil aus der Ersatzteilliste Ihres Toro Gerätes aus und bestellen Sie einfach online. Viele Toro Ersatzteile halten wir ständig in unserem Lager für Sie bereit.






