Toro 30185 - Mid-Size Proline Hydro Traction Unit, 14 hp, 1991 (10000001-19999999) OIL PAN/LUBRICATION-ENGINE KOHLER MODEL NO. CV14 S-1429 Ersatzteile
OIL PAN/LUBRICATION-ENGINE KOHLER MODEL NO. CV14 S-1429 30185 - Toro Mid-Size Proline Hydro Traction Unit, 14 hp, 1991 (10000001-19999999)

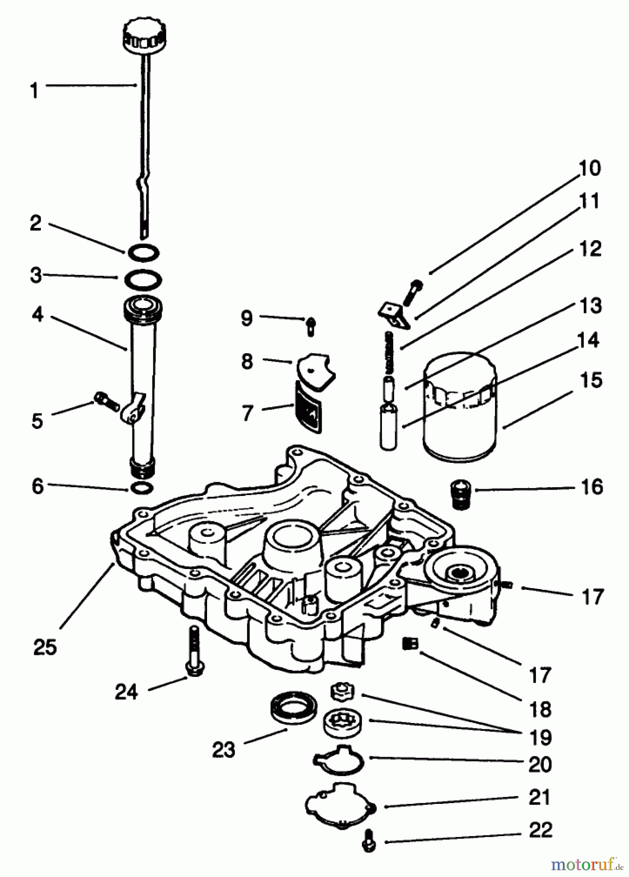
Hier finden Sie die Ersatzteilzeichnung für Toro Neu Mowers, Drive Unit Only 30185 - Toro Mid-Size Proline Hydro Traction Unit, 14 hp, 1991 (10000001-19999999) OIL PAN/LUBRICATION-ENGINE KOHLER MODEL NO. CV14 S-1429. Wählen Sie das benötigte Ersatzteil aus der Ersatzteilliste Ihres Toro Gerätes aus und bestellen Sie einfach online. Viele Toro Ersatzteile halten wir ständig in unserem Lager für Sie bereit.
| BildNr | Artikel Nummer | Bezeichnung | |
| 5 | KHSM-0545020 | ||
| 22 | KHSM-0545016 | ||
| 10 | KHM-1051025 | ||
| 17 | KHX-75-1-S | USE 25 139 52-S | |
| 18 | KHX-75-10-S | USE 25 139 57-S | |
| 22 | KHSM-0545016 | ||
| 24 | KHSM-0839045 | ||


Qualitätsmanagement
Informieren Sie uns, wenn Sie einen Fehler gefunden haben.

