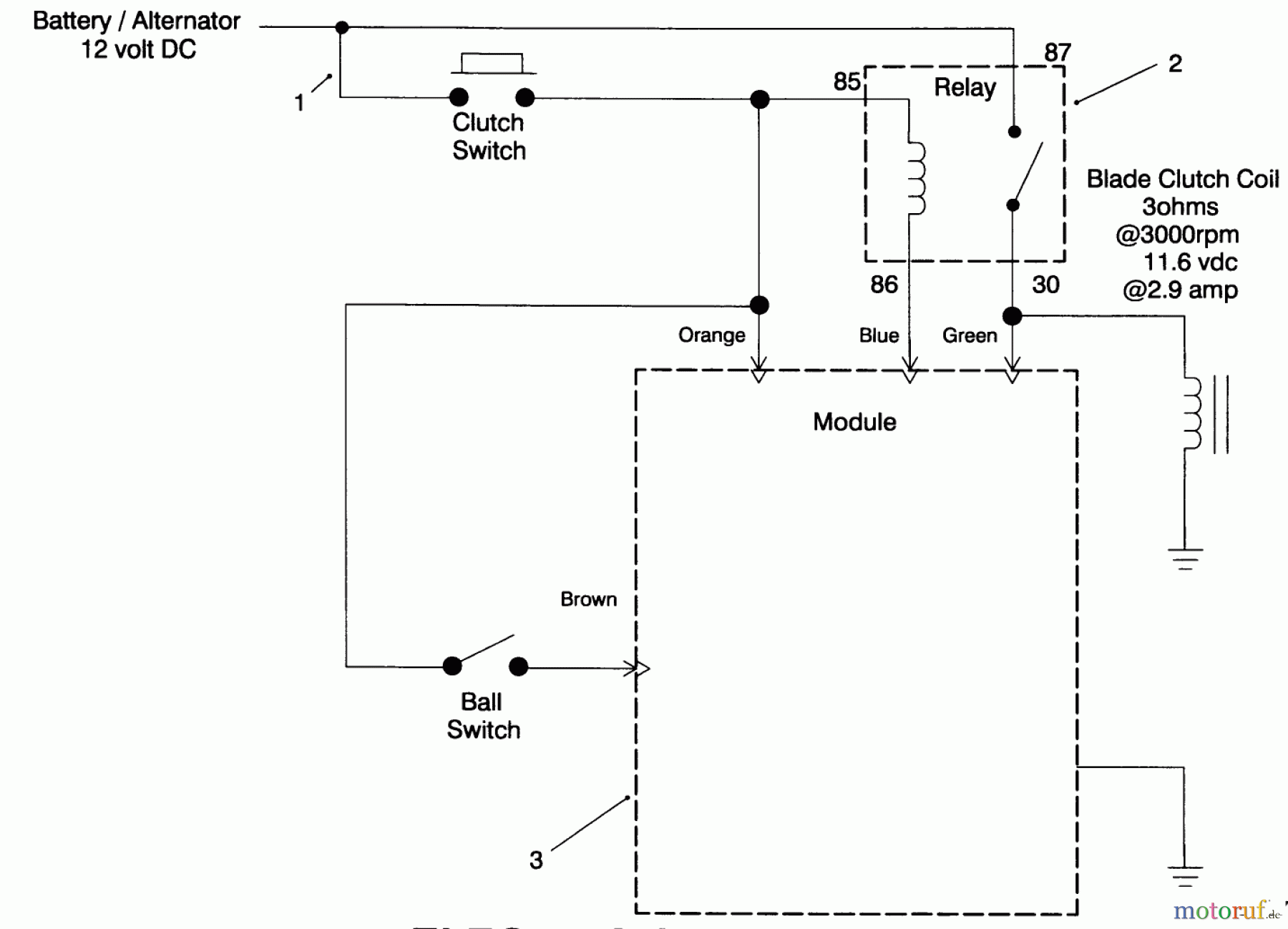
Toro 30165 - Mid-Size Proline Gear Traction Unit, 12.5 hp, 1994 (4900001-4999999) ELECTRIC SCHEMATIC Ersatzteile
ELECTRIC SCHEMATIC 30165 - Toro Mid-Size Proline Gear Traction Unit, 12.5 hp, 1994 (4900001-4999999)

Hier finden Sie die Ersatzteilzeichnung für Toro Neu Mowers, Drive Unit Only 30165 - Toro Mid-Size Proline Gear Traction Unit, 12.5 hp, 1994 (4900001-4999999) ELECTRIC SCHEMATIC. Wählen Sie das benötigte Ersatzteil aus der Ersatzteilliste Ihres Toro Gerätes aus und bestellen Sie einfach online. Viele Toro Ersatzteile halten wir ständig in unserem Lager für Sie bereit.



