Toro 30156 - Mid-Size Proline Gear Traction Unit, 12.5 hp, 1993 (390001-399999) OIL PAN/LUBRICATION-ENGINE KOHLER-MODEL CV12.5T SPEC. NO. 1254 Ersatzteile
OIL PAN/LUBRICATION-ENGINE KOHLER-MODEL CV12.5T SPEC. NO. 1254 30156 - Toro Mid-Size Proline Gear Traction Unit, 12.5 hp, 1993 (390001-399999)

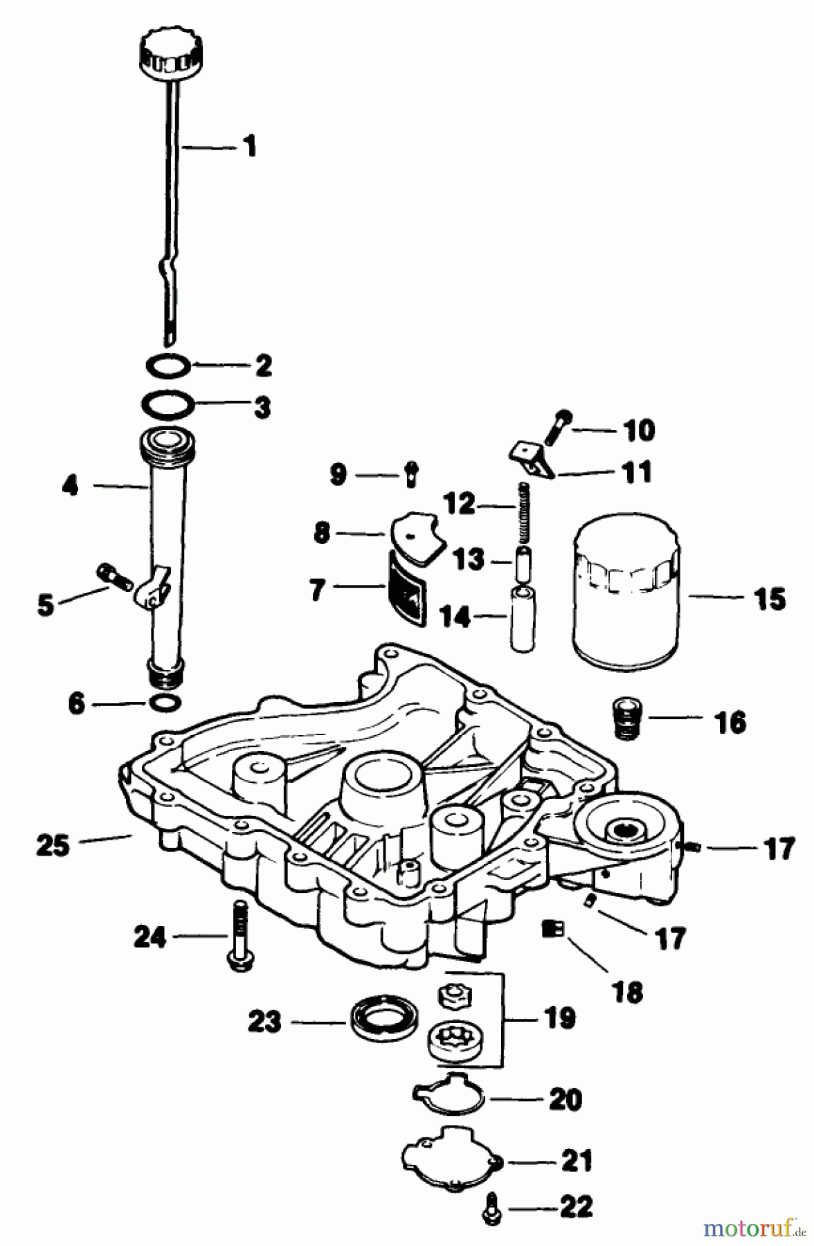
Hier finden Sie die Ersatzteilzeichnung für Toro Neu Mowers, Drive Unit Only 30156 - Toro Mid-Size Proline Gear Traction Unit, 12.5 hp, 1993 (390001-399999) OIL PAN/LUBRICATION-ENGINE KOHLER-MODEL CV12.5T SPEC. NO. 1254. Wählen Sie das benötigte Ersatzteil aus der Ersatzteilliste Ihres Toro Gerätes aus und bestellen Sie einfach online. Viele Toro Ersatzteile halten wir ständig in unserem Lager für Sie bereit.
| BildNr | Artikel Nummer | Bezeichnung | |
| 5 | KHSM-0545020 | ||
| 22 | KHSM-0545016 | ||
| 10 | KHM-1039025 | Schraube | |
| 17 | KHX-75-1-S | USE 25 139 52-S | |
| 18 | KHX-75-10-S | USE 25 139 57-S | |
| 22 | KHSM-0545016 | ||
| 24 | KHSM-0839045 | ||


Qualitätsmanagement
Informieren Sie uns, wenn Sie einen Fehler gefunden haben.

