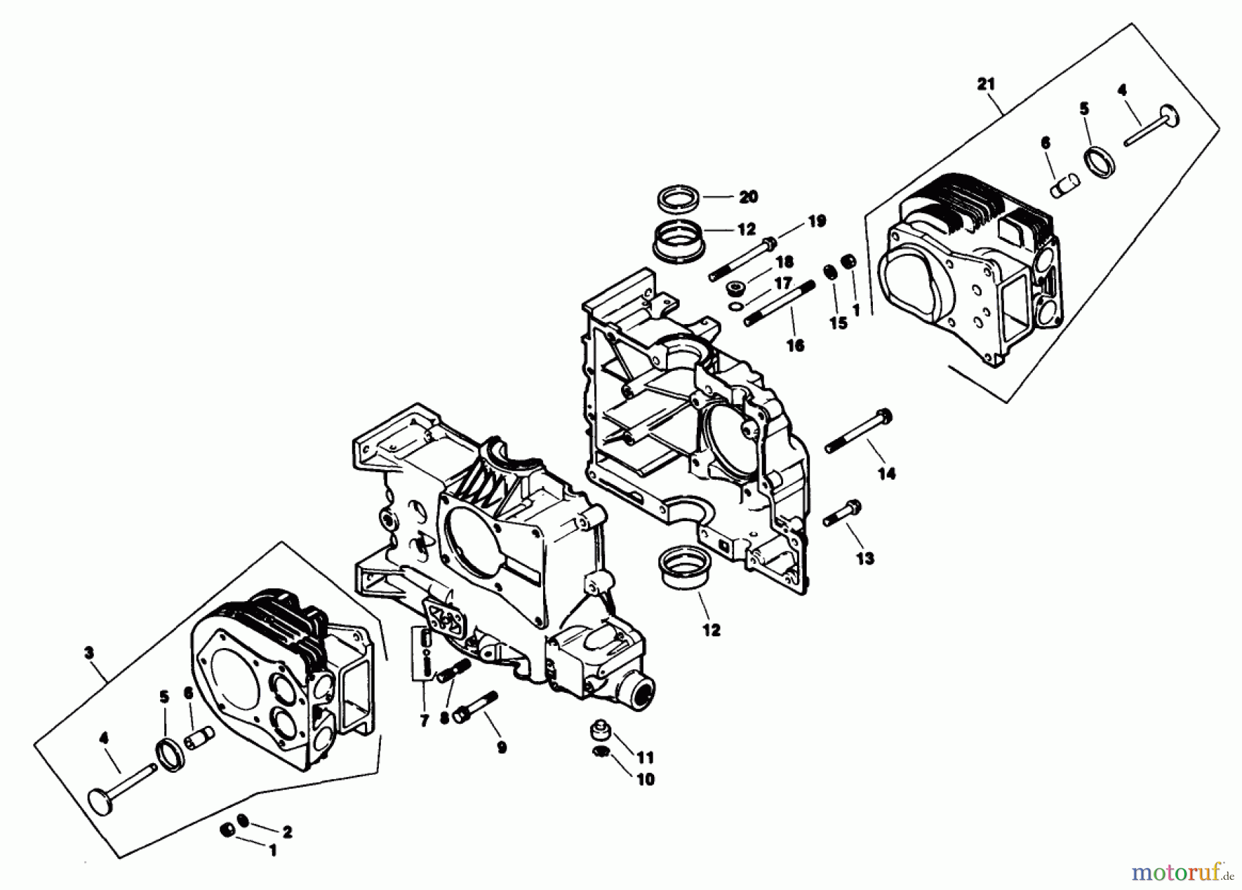
Toro 30117 - Mid-Size Proline Gear Traction Unit, 16 hp, 1991 (1000001-1999999) CRANKCASE-ENGINE KOHLER MODEL NO. MV16S-TYPE 56511 #1 Ersatzteile
CRANKCASE-ENGINE KOHLER MODEL NO. MV16S-TYPE 56511 #1 30117 - Toro Mid-Size Proline Gear Traction Unit, 16 hp, 1991 (1000001-1999999)

Hier finden Sie die Ersatzteilzeichnung für Toro Neu Mowers, Drive Unit Only 30117 - Toro Mid-Size Proline Gear Traction Unit, 16 hp, 1991 (1000001-1999999) CRANKCASE-ENGINE KOHLER MODEL NO. MV16S-TYPE 56511 #1. Wählen Sie das benötigte Ersatzteil aus der Ersatzteilliste Ihres Toro Gerätes aus und bestellen Sie einfach online. Viele Toro Ersatzteile halten wir ständig in unserem Lager für Sie bereit.
| BildNr | Artikel Nummer | Bezeichnung | |
| 1 | KHX-82-2-S | USE 25 100 22-S | |
| 10 | KHX-269-43-S | RING | |
| 16 | KH2508611 | Schraube | |



