Toro 30116 - Mid-Size Proline Gear Traction Unit, 16 hp, 1989 (9000001-9999999) BRIGGS & STRATTON ENGINE MODEL NO. 402707-0158-01 #1 Ersatzteile
BRIGGS & STRATTON ENGINE MODEL NO. 402707-0158-01 #1 30116 - Toro Mid-Size Proline Gear Traction Unit, 16 hp, 1989 (9000001-9999999)

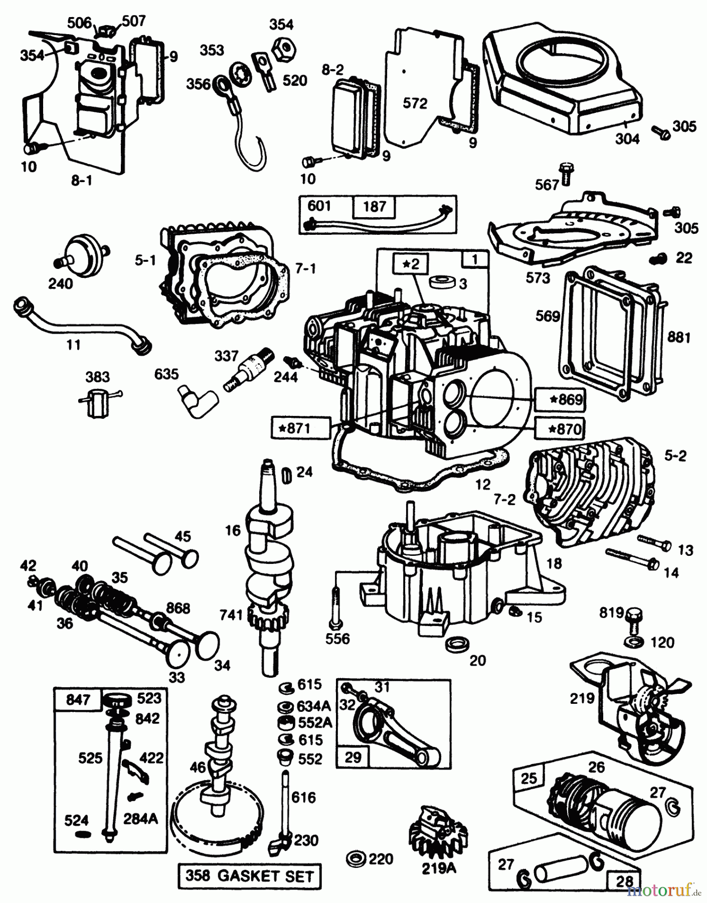
Hier finden Sie die Ersatzteilzeichnung für Toro Neu Mowers, Drive Unit Only 30116 - Toro Mid-Size Proline Gear Traction Unit, 16 hp, 1989 (9000001-9999999) BRIGGS & STRATTON ENGINE MODEL NO. 402707-0158-01 #1. Wählen Sie das benötigte Ersatzteil aus der Ersatzteilliste Ihres Toro Gerätes aus und bestellen Sie einfach online. Viele Toro Ersatzteile halten wir ständig in unserem Lager für Sie bereit.






