Toro 30113 - Mid-Size Proline Gear Traction Unit, 8 hp, 1988 (8000001-8999999) MAGNETIC FLYWHEEL ASSEMBLY Ersatzteile
MAGNETIC FLYWHEEL ASSEMBLY 30113 - Toro Mid-Size Proline Gear Traction Unit, 8 hp, 1988 (8000001-8999999)

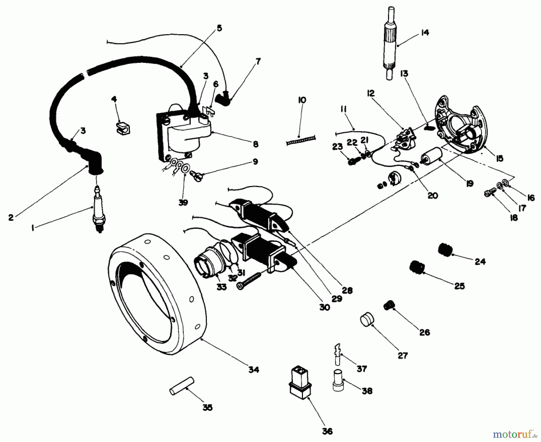
Hier finden Sie die Ersatzteilzeichnung für Toro Neu Mowers, Drive Unit Only 30113 - Toro Mid-Size Proline Gear Traction Unit, 8 hp, 1988 (8000001-8999999) MAGNETIC FLYWHEEL ASSEMBLY. Wählen Sie das benötigte Ersatzteil aus der Ersatzteilliste Ihres Toro Gerätes aus und bestellen Sie einfach online. Viele Toro Ersatzteile halten wir ständig in unserem Lager für Sie bereit.


Qualitätsmanagement
Informieren Sie uns, wenn Sie einen Fehler gefunden haben.

