Toro 30113 - Mid-Size Proline Gear Traction Unit, 8 hp, 1985 (5000001-5999999) 36" CUTTING DECK MODEL NO. 30136 Ersatzteile
36" CUTTING DECK MODEL NO. 30136 30113 - Toro Mid-Size Proline Gear Traction Unit, 8 hp, 1985 (5000001-5999999)

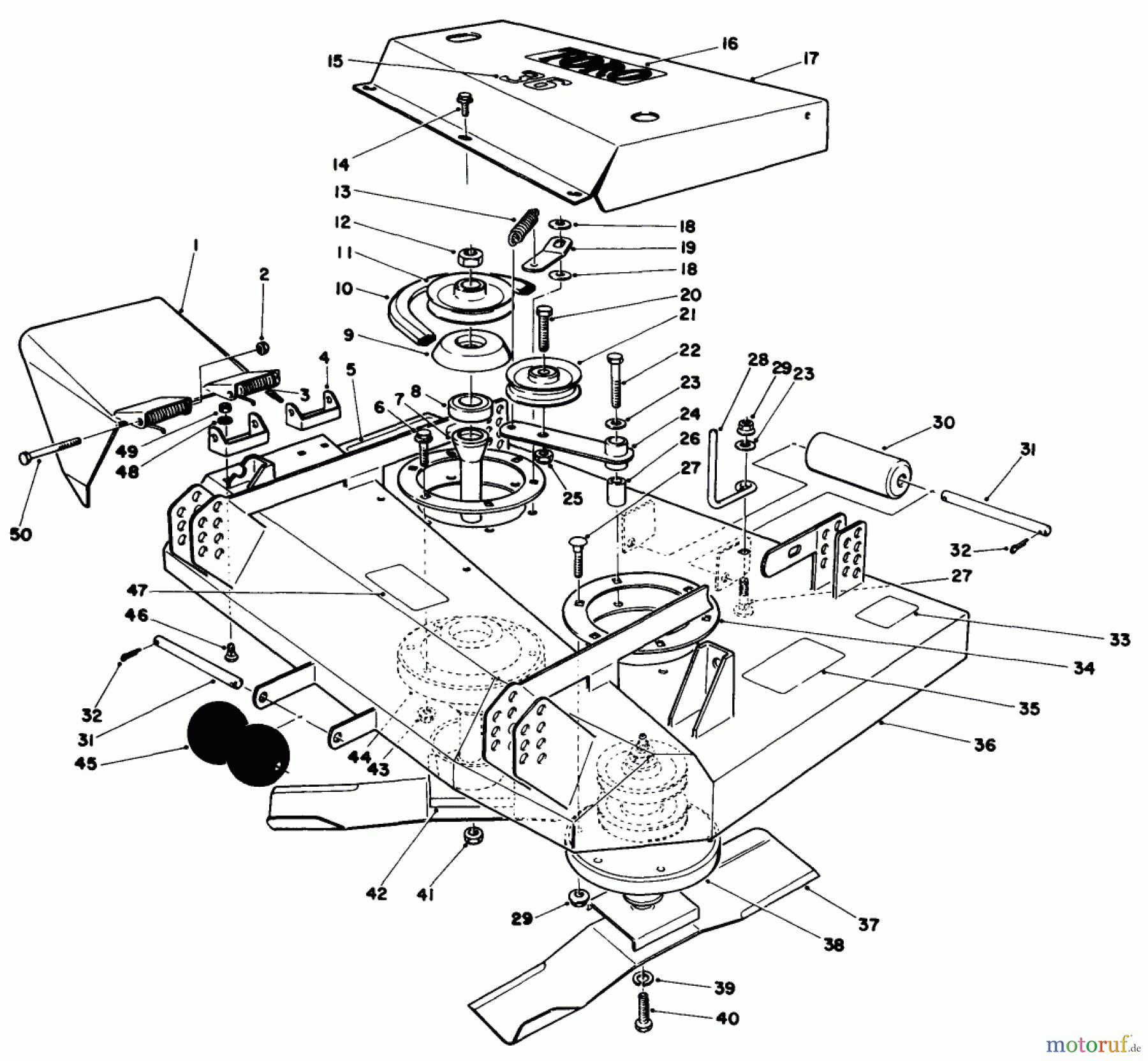
Hier finden Sie die Ersatzteilzeichnung für Toro Neu Mowers, Drive Unit Only 30113 - Toro Mid-Size Proline Gear Traction Unit, 8 hp, 1985 (5000001-5999999) 36" CUTTING DECK MODEL NO. 30136. Wählen Sie das benötigte Ersatzteil aus der Ersatzteilliste Ihres Toro Gerätes aus und bestellen Sie einfach online. Viele Toro Ersatzteile halten wir ständig in unserem Lager für Sie bereit.


Qualitätsmanagement
Informieren Sie uns, wenn Sie einen Fehler gefunden haben.




