Toro 30111 - Mid-Size Proline Gear Traction Unit, 11 hp, 1986 (6000001-6999999) BRIGGS & STRATTON MODEL NO. 253706-0180-01 #3 Ersatzteile
BRIGGS & STRATTON MODEL NO. 253706-0180-01 #3 30111 - Toro Mid-Size Proline Gear Traction Unit, 11 hp, 1986 (6000001-6999999)

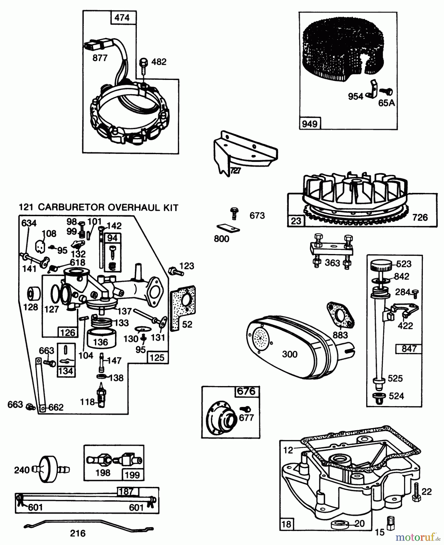
Hier finden Sie die Ersatzteilzeichnung für Toro Neu Mowers, Drive Unit Only 30111 - Toro Mid-Size Proline Gear Traction Unit, 11 hp, 1986 (6000001-6999999) BRIGGS & STRATTON MODEL NO. 253706-0180-01 #3. Wählen Sie das benötigte Ersatzteil aus der Ersatzteilliste Ihres Toro Gerätes aus und bestellen Sie einfach online. Viele Toro Ersatzteile halten wir ständig in unserem Lager für Sie bereit.







