Toro 30111 - Mid-Size Proline Gear Traction Unit, 11 hp, 1985 (5000001-5999999) 44" CARRIER FRAME MODEL NO. 30144 Ersatzteile
44" CARRIER FRAME MODEL NO. 30144 30111 - Toro Mid-Size Proline Gear Traction Unit, 11 hp, 1985 (5000001-5999999)

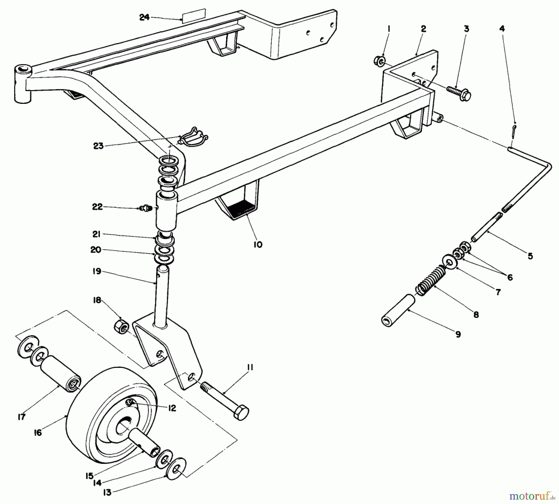
Hier finden Sie die Ersatzteilzeichnung für Toro Neu Mowers, Drive Unit Only 30111 - Toro Mid-Size Proline Gear Traction Unit, 11 hp, 1985 (5000001-5999999) 44" CARRIER FRAME MODEL NO. 30144. Wählen Sie das benötigte Ersatzteil aus der Ersatzteilliste Ihres Toro Gerätes aus und bestellen Sie einfach online. Viele Toro Ersatzteile halten wir ständig in unserem Lager für Sie bereit.


Qualitätsmanagement
Informieren Sie uns, wenn Sie einen Fehler gefunden haben.


