Toro 30103 - Mid-Size Proline Gear Traction Unit, 12 hp, 1988 (8000001-8999999) BRIGGS & STRATTON MODEL NO. 281706-0180-01 #1 Ersatzteile
BRIGGS & STRATTON MODEL NO. 281706-0180-01 #1 30103 - Toro Mid-Size Proline Gear Traction Unit, 12 hp, 1988 (8000001-8999999)

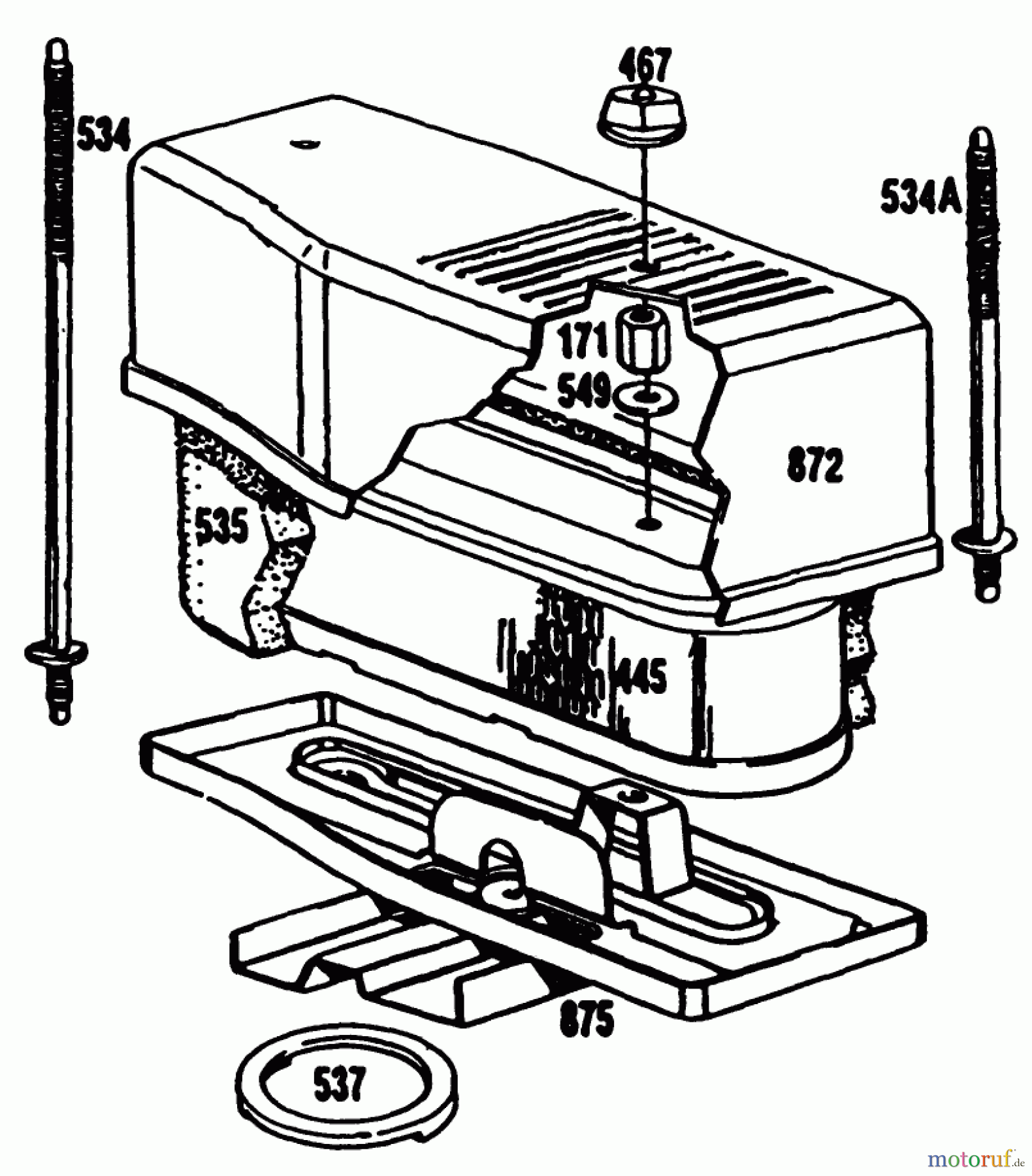
Hier finden Sie die Ersatzteilzeichnung für Toro Neu Mowers, Drive Unit Only 30103 - Toro Mid-Size Proline Gear Traction Unit, 12 hp, 1988 (8000001-8999999) BRIGGS & STRATTON MODEL NO. 281706-0180-01 #1. Wählen Sie das benötigte Ersatzteil aus der Ersatzteilliste Ihres Toro Gerätes aus und bestellen Sie einfach online. Viele Toro Ersatzteile halten wir ständig in unserem Lager für Sie bereit.
| BildNr | Artikel Nummer | Bezeichnung | |
| 171 | BS281051 | VERWEIS ZU | |
| 224 | BS94902 | ||
| 445 | BS399806 | VERWEIS ZU | |
| 467 | BS493903 | VERWEIS ZU | |
| 534 | BS695830 | STRAP/STUD-A/C MTG | |
| 534A | BS94246 | STEHBOLZEN | |
| 535 | BS271962S | FILTERELEMENT | |
| 537 | BS270853 | LUFTFILTERDICHTUNG | |
| 549 | BS94249 | ||
| 872 | BS223700 | LUFTFILTERDECKEL | |
| 875 | BS490332 | VERWEIS ZU | |


Qualitätsmanagement
Informieren Sie uns, wenn Sie einen Fehler gefunden haben.

