Toro SGM-603 - 3 Gang Reel Mower, 1965 GANG MOWER PARTS LIST Ersatzteile
GANG MOWER PARTS LIST SGM-603 - Toro 3 Gang Reel Mower, 1965

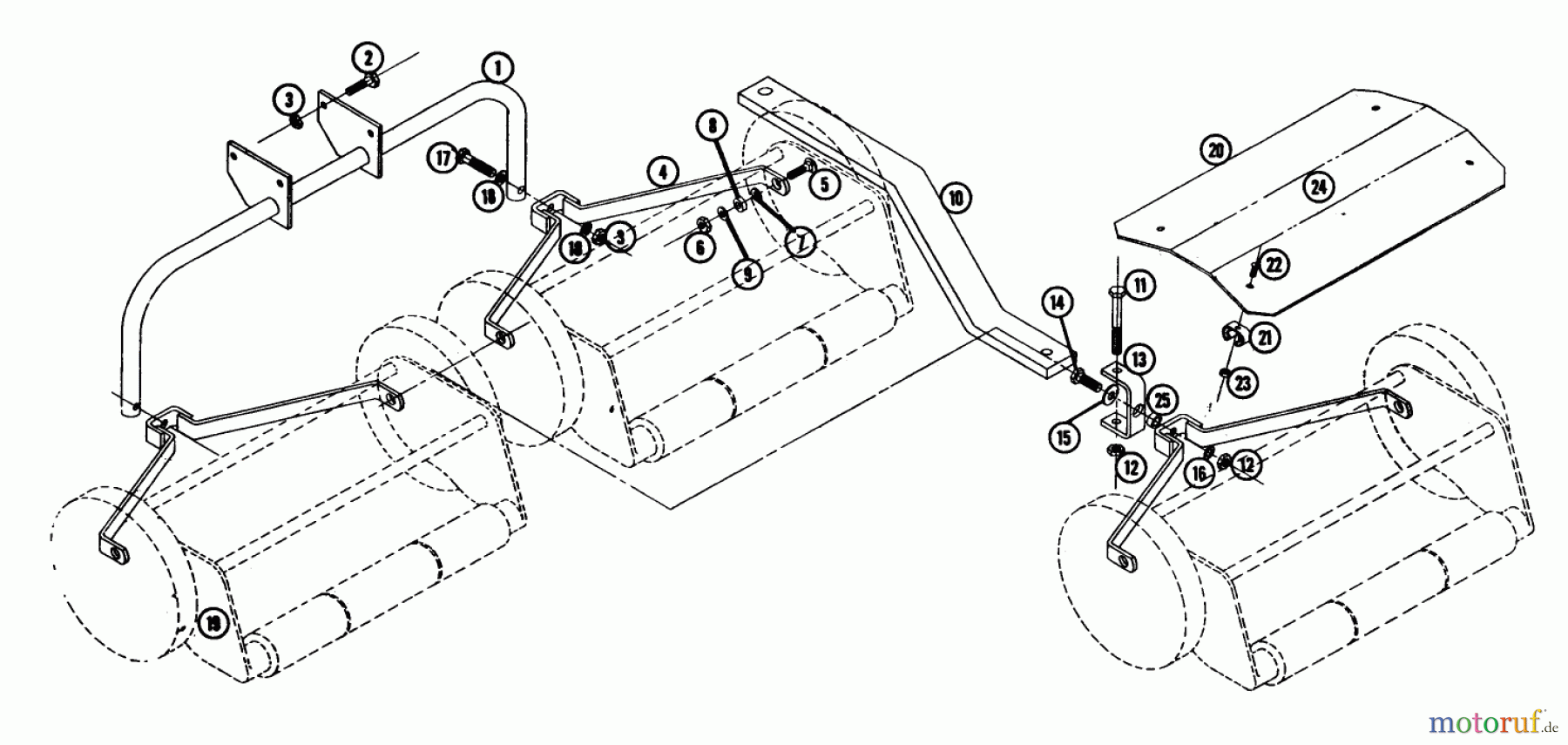
Hier finden Sie die Ersatzteilzeichnung für Toro Neu Mowers, Deck Assembly Only SGM-603 - Toro 3 Gang Reel Mower, 1965 GANG MOWER PARTS LIST. Wählen Sie das benötigte Ersatzteil aus der Ersatzteilliste Ihres Toro Gerätes aus und bestellen Sie einfach online. Viele Toro Ersatzteile halten wir ständig in unserem Lager für Sie bereit.
| BildNr | Artikel Nummer | Bezeichnung | |
| 3 | TR915113-4 | ||
| 6 | ![]() | TR3296-29 | Mutter |
| 7 | TR920084 | SICHERUNGSSCHEIBE | |
| 9 | TR3256-23 | Scheibe | |
| 11 | TR908068-4 | ||
| 12 | TR915115-4 | ||
| 15 | TR920041-4 | ||
| 17 | TR908039-4 | ||
| 18 | TR920039-4 | ||
| 21 | TR1883 | DISCONTINUED | |
| 24 | TR83-3410 | DECAL-SIDE TRIM | |




