Einstellungen Computer

Toro 78425 - 42" Recycler Mower, 1993 (39000001-39999999) PULLEY ASSEMBLY Ersatzteile

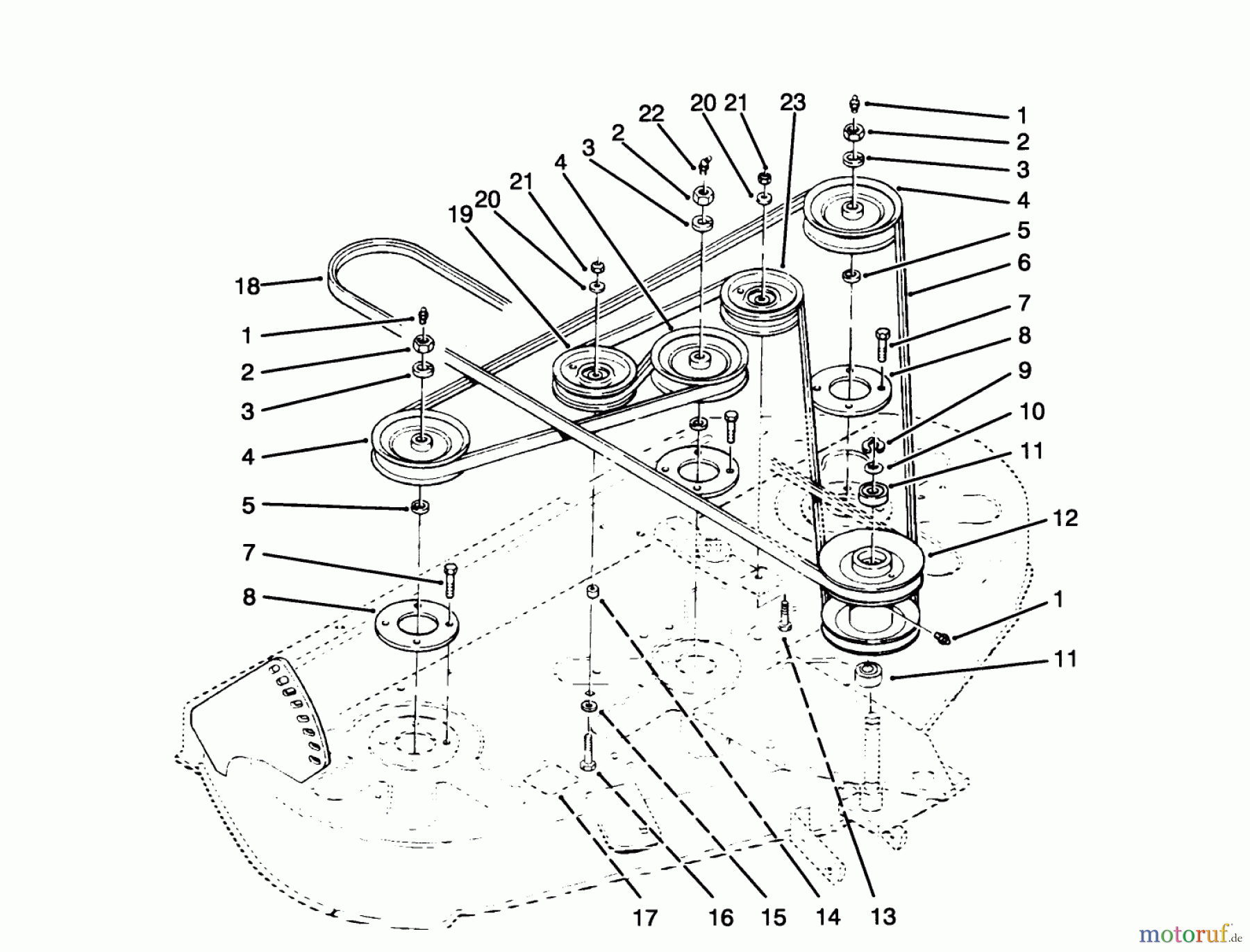
PULLEY ASSEMBLY 78425 - Toro 42" Recycler Mower, 1993 (39000001-39999999)

 Toro Neu Mowers, Deck Assembly Only 78425 - Toro 42

Hier finden Sie die Ersatzteilzeichnung für Toro Neu Mowers, Deck Assembly Only 78425 - Toro 42" Recycler Mower, 1993 (39000001-39999999) PULLEY ASSEMBLY. Wählen Sie das benötigte Ersatzteil aus der Ersatzteilliste Ihres Toro Gerätes aus und bestellen Sie einfach online. Viele Toro Ersatzteile halten wir ständig in unserem Lager für Sie bereit.

Rasen
Bankeinzug, MasterCard, Visa, American Express, PayPal, Nachnahme, Vorauskasse, Sofortüberweisung
Datenschutzerklärung Impressum
Qualitätsmanagement
Informieren Sie uns, wenn Sie einen Fehler gefunden haben.