Einstellungen Computer

Toro 78415 - 42" Side Discharge Mower, 1995 (590001-599999) DECK & DECAL ASSEMBLY Ersatzteile

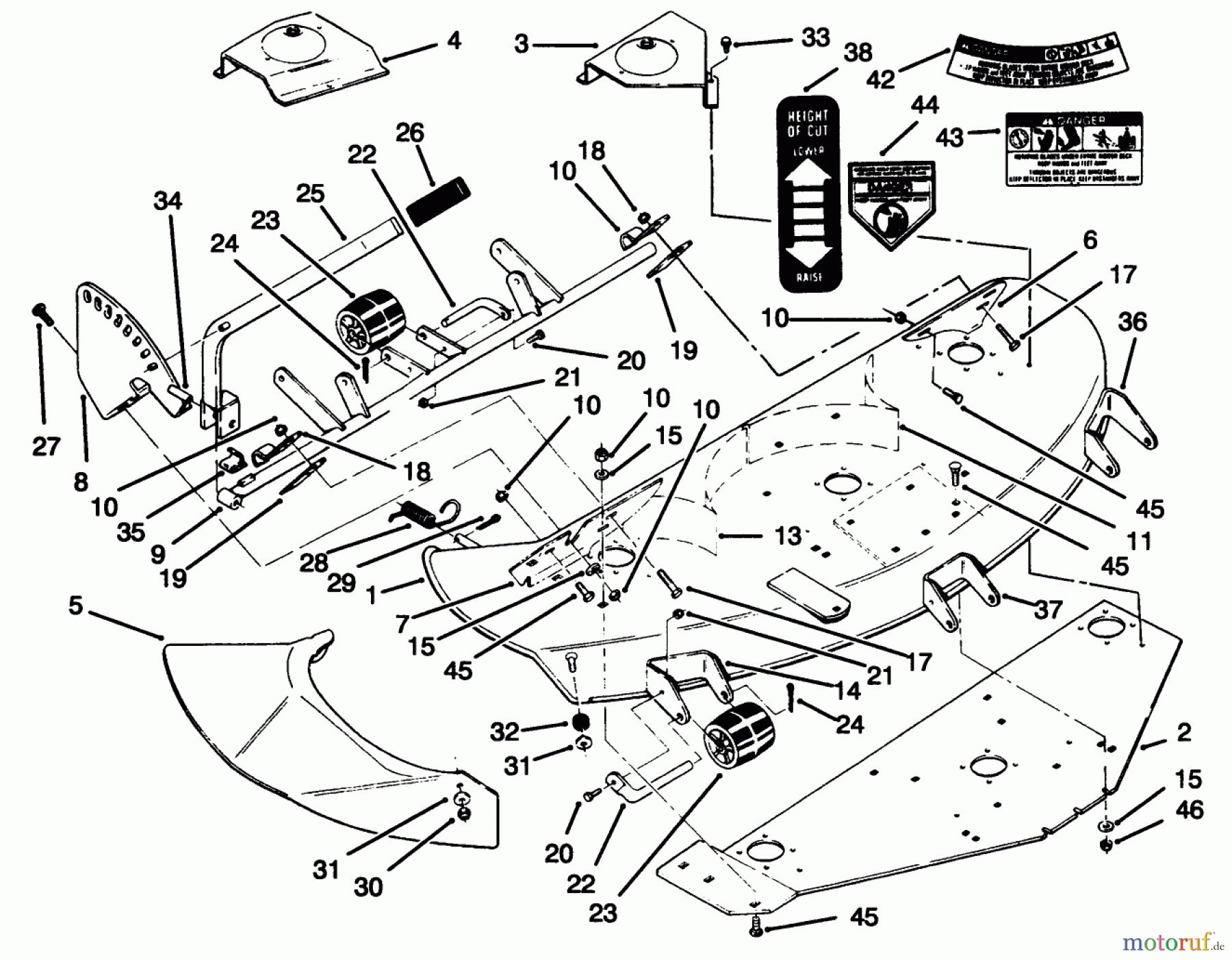
DECK & DECAL ASSEMBLY 78415 - Toro 42" Side Discharge Mower, 1995 (590001-599999)

 Toro Neu Mowers, Deck Assembly Only 78415 - Toro 42

Hier finden Sie die Ersatzteilzeichnung für Toro Neu Mowers, Deck Assembly Only 78415 - Toro 42" Side Discharge Mower, 1995 (590001-599999) DECK & DECAL ASSEMBLY. Wählen Sie das benötigte Ersatzteil aus der Ersatzteilliste Ihres Toro Gerätes aus und bestellen Sie einfach online. Viele Toro Ersatzteile halten wir ständig in unserem Lager für Sie bereit.

Rasen
Bankeinzug, MasterCard, Visa, American Express, PayPal, Nachnahme, Vorauskasse, Sofortüberweisung
Datenschutzerklärung Impressum
Qualitätsmanagement
Informieren Sie uns, wenn Sie einen Fehler gefunden haben.