Toro 78370 - 52" Side Discharge Mower, 5xi Garden Tractors, 2005 (250000001-250999999) BAFFLE ASSEMBLY Ersatzteile
BAFFLE ASSEMBLY 78370 - Toro 52" Side Discharge Mower, 5xi Garden Tractors, 2005 (250000001-250999999)

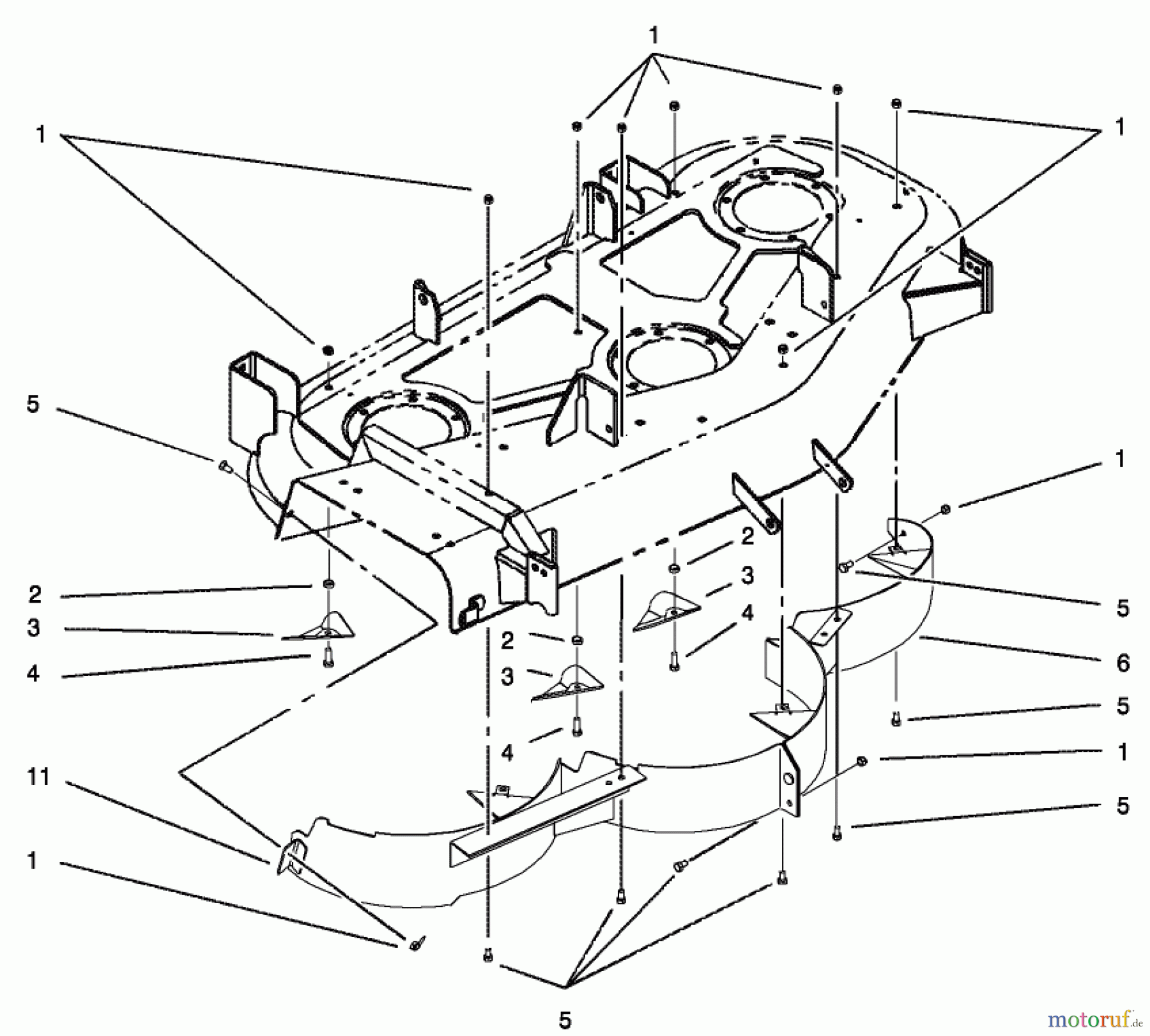
Hier finden Sie die Ersatzteilzeichnung für Toro Neu Mowers, Deck Assembly Only 78370 - Toro 52" Side Discharge Mower, 5xi Garden Tractors, 2005 (250000001-250999999) BAFFLE ASSEMBLY. Wählen Sie das benötigte Ersatzteil aus der Ersatzteilliste Ihres Toro Gerätes aus und bestellen Sie einfach online. Viele Toro Ersatzteile halten wir ständig in unserem Lager für Sie bereit.
| BildNr | Artikel Nummer | Bezeichnung | |
| 1 | ![]() | TR3296-29 | Mutter |
| 2 | TR59-4310 | Buechse | |
| 3 | TR84-5760 | Recyclerklotz | |
| 4 | TR322-4 | Schraube | |
| 5 | TR322-2 | Schraube | |
| 6 | TR94-2505-03 | LEFT BAFFLE ASM | |
| 11 | TR94-2504-03 | Grasleitstueck | |


Qualitätsmanagement
Informieren Sie uns, wenn Sie einen Fehler gefunden haben.


