Toro 78355 - 42" Recycler Mower, 1993 (3900001-3999999) DECK AND COVER ASSEMBLY Ersatzteile
DECK AND COVER ASSEMBLY 78355 - Toro 42" Recycler Mower, 1993 (3900001-3999999)

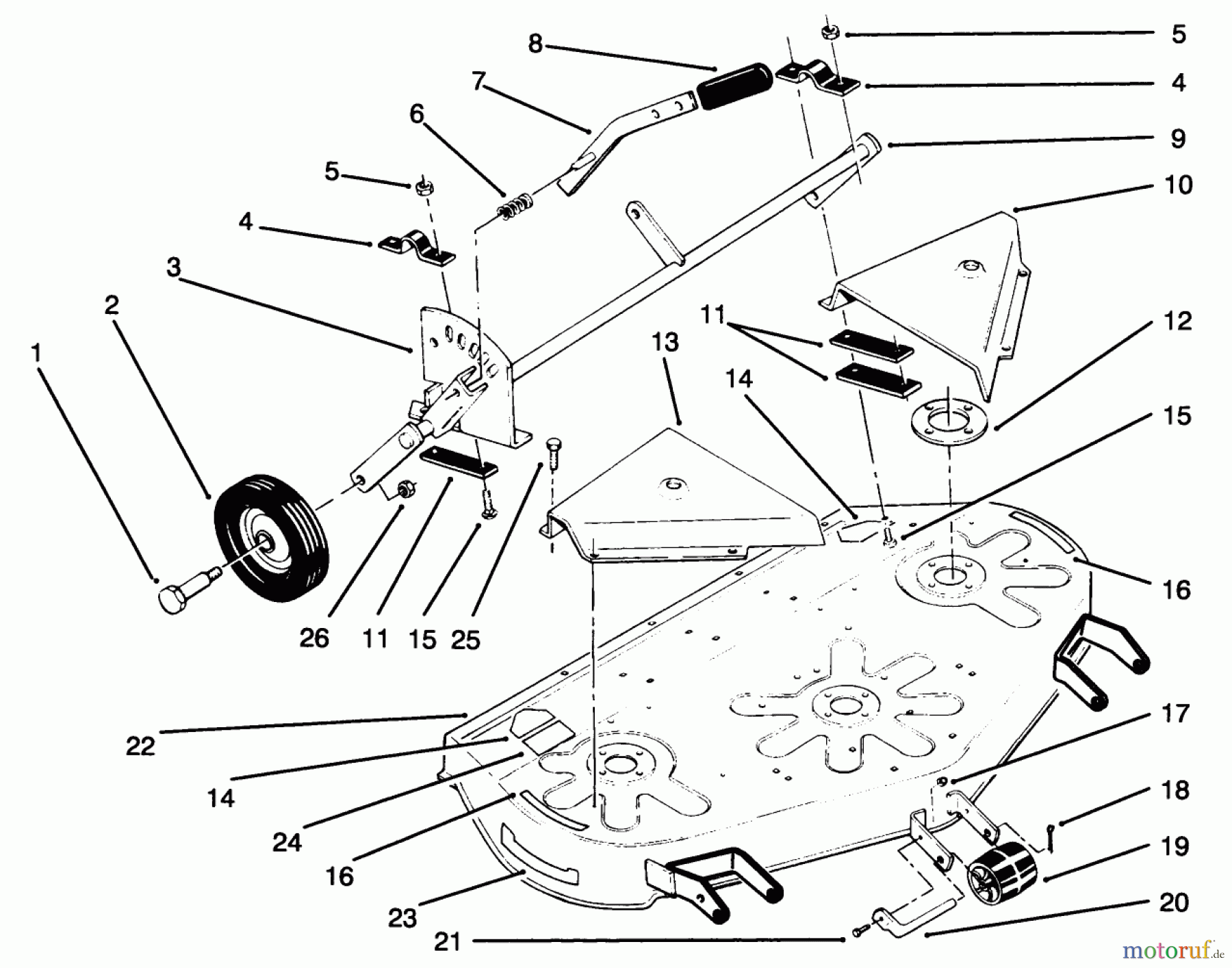
Hier finden Sie die Ersatzteilzeichnung für Toro Neu Mowers, Deck Assembly Only 78355 - Toro 42" Recycler Mower, 1993 (3900001-3999999) DECK AND COVER ASSEMBLY. Wählen Sie das benötigte Ersatzteil aus der Ersatzteilliste Ihres Toro Gerätes aus und bestellen Sie einfach online. Viele Toro Ersatzteile halten wir ständig in unserem Lager für Sie bereit.


Qualitätsmanagement
Informieren Sie uns, wenn Sie einen Fehler gefunden haben.




