Toro 78352 - 42" Rear Discharge, Low Cut Mower, 1996 (6900001-6999999) DECK & COVER ASSEMBLY Ersatzteile
DECK & COVER ASSEMBLY 78352 - Toro 42" Rear Discharge, Low Cut Mower, 1996 (6900001-6999999)

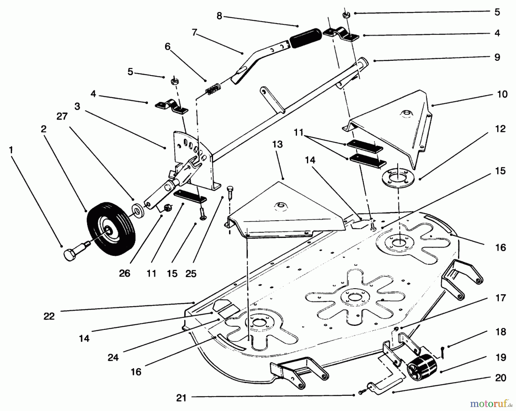
Hier finden Sie die Ersatzteilzeichnung für Toro Neu Mowers, Deck Assembly Only 78352 - Toro 42" Rear Discharge, Low Cut Mower, 1996 (6900001-6999999) DECK & COVER ASSEMBLY. Wählen Sie das benötigte Ersatzteil aus der Ersatzteilliste Ihres Toro Gerätes aus und bestellen Sie einfach online. Viele Toro Ersatzteile halten wir ständig in unserem Lager für Sie bereit.


Qualitätsmanagement
Informieren Sie uns, wenn Sie einen Fehler gefunden haben.




