Toro 78352 - 42" Rear Discharge, Low Cut Mower, 1996 (6900001-6999999) DECK BELT & PULLEYS Ersatzteile
DECK BELT & PULLEYS 78352 - Toro 42" Rear Discharge, Low Cut Mower, 1996 (6900001-6999999)

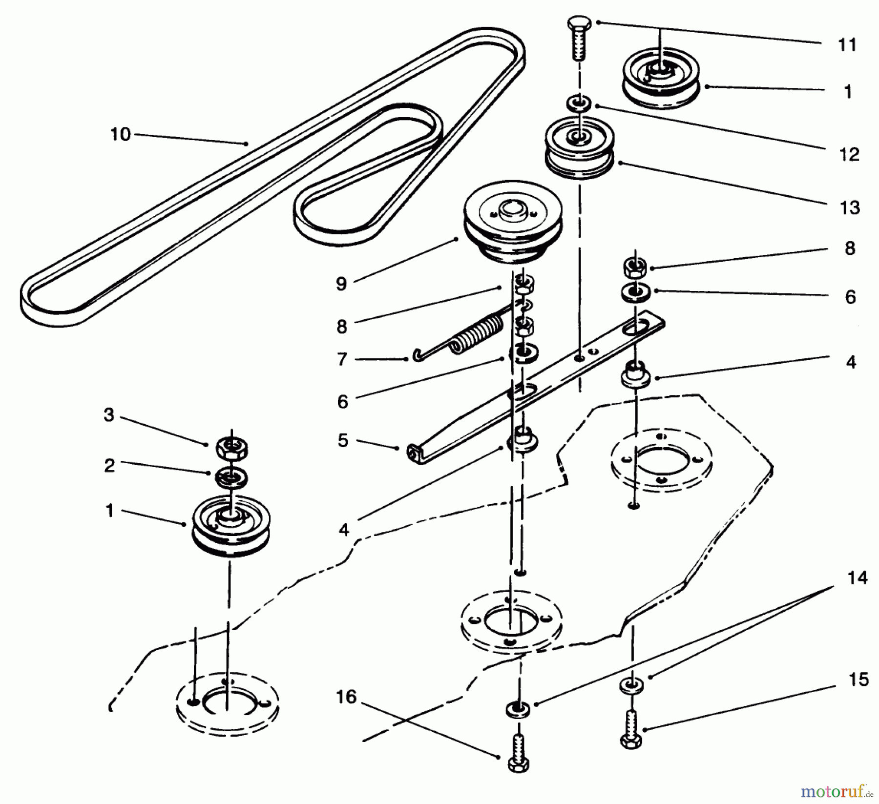
Hier finden Sie die Ersatzteilzeichnung für Toro Neu Mowers, Deck Assembly Only 78352 - Toro 42" Rear Discharge, Low Cut Mower, 1996 (6900001-6999999) DECK BELT & PULLEYS. Wählen Sie das benötigte Ersatzteil aus der Ersatzteilliste Ihres Toro Gerätes aus und bestellen Sie einfach online. Viele Toro Ersatzteile halten wir ständig in unserem Lager für Sie bereit.
| BildNr | Artikel Nummer | Bezeichnung | |
| 1 | TR109967 | PULLEY | |
| 2 | TR3253-8 | Federring | |
| 3 | TR3220-6 | Mutter | |
| 4 | TR107674 | SPACER-BUSHING | |
| 5 | TC106120A | ||
| 6 | TR107675 | Scheibe (10) | |
| 7 | TR100071 | Feder (2) | |
| 8 | TR32-9639 | ||
| 9 | TR110148 | Riemenscheibe | |
| 10 | TC106125 | ||
| 11 | TR323-7 | Schraube | |
| 12 | TR3253-21 | Federring | |
| 13 | TR92-7101 | Riemenscheibe | |
| 14 | TR2844 | WASHER | |
| 15 | TR323-7 | Schraube | |
| 16 | TR323-9 | Schraube | |


Qualitätsmanagement
Informieren Sie uns, wenn Sie einen Fehler gefunden haben.

