Toro 78305 - 36" Rear Discharge Mower, 300 Series GT Classic Tractors, 2002 (220000001-220999999) HEIGHT OF CUT ADJUSTMENT LEVER ASSEMBLY Ersatzteile
HEIGHT OF CUT ADJUSTMENT LEVER ASSEMBLY 78305 - Toro 36" Rear Discharge Mower, 300 Series GT Classic Tractors, 2002 (220000001-220999999)

Hier finden Sie die Ersatzteilzeichnung für Toro Neu Mowers, Deck Assembly Only 78305 - Toro 36" Rear Discharge Mower, 300 Series GT Classic Tractors, 2002 (220000001-220999999) HEIGHT OF CUT ADJUSTMENT LEVER ASSEMBLY. Wählen Sie das benötigte Ersatzteil aus der Ersatzteilliste Ihres Toro Gerätes aus und bestellen Sie einfach online. Viele Toro Ersatzteile halten wir ständig in unserem Lager für Sie bereit.
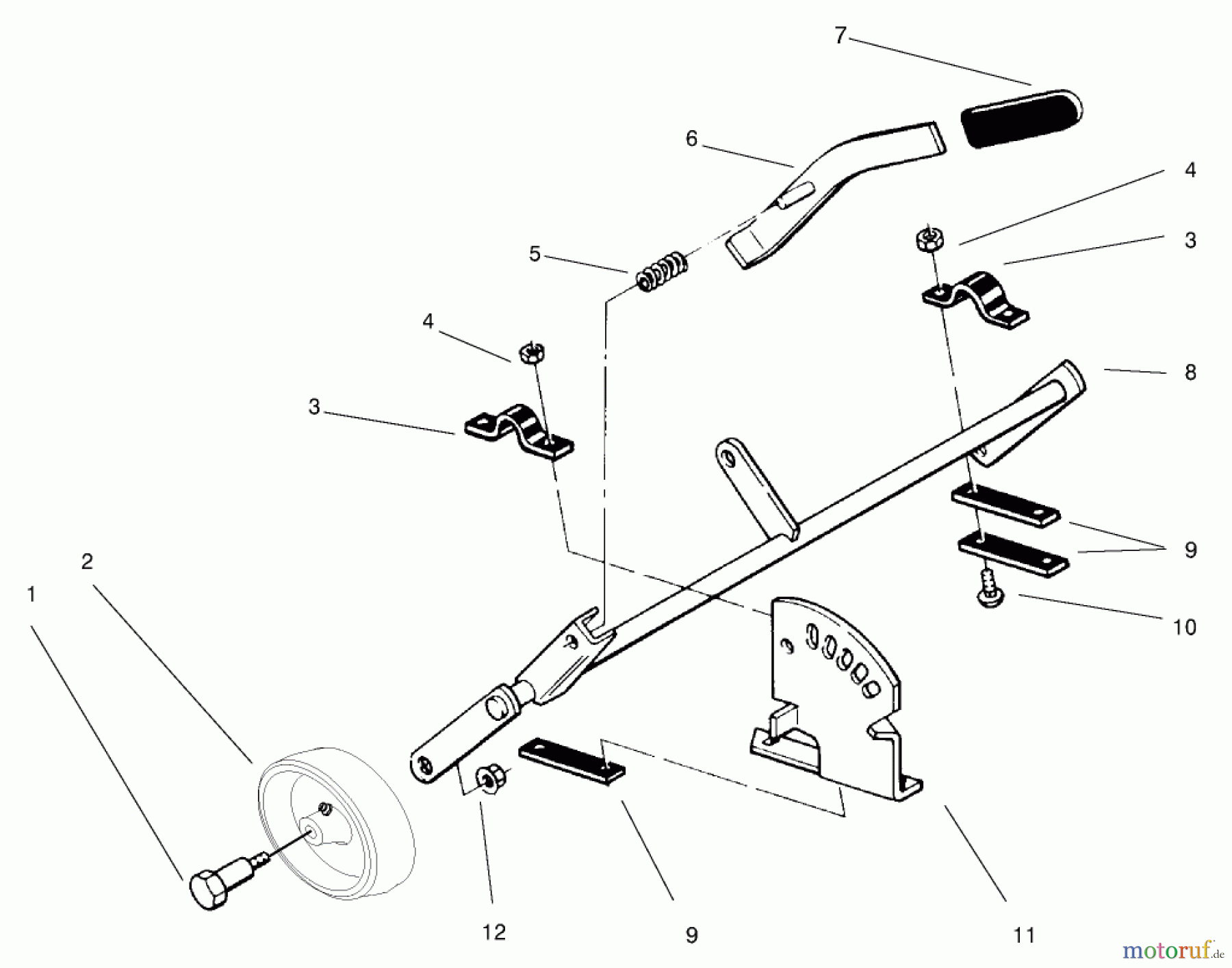
| BildNr | Artikel Nummer | Bezeichnung | |
| 1 | ![]() | TR92-1057 | BOLT-SHOULDER |
| 2 | TR92-6959 | Laufrad | |
| 3 | TR110841 | KLEMMSTUECK | |
| 4 | TR32-9639 | ||
| 5 | TR101853 | SPRING-COMPRESSION | |
| 6 | TR102431-01 | Hebel Kpl. | |
| 7 | TR102597 | GRIFF | |
| 8 | TR107961-01 | WA GAGE WHL | |
| 9 | TR110840-03 | Platte | |
| 10 | TR3231-25 | Bolzen | |
| 11 | TR106392-01 | QUADRANT | |
| 12 | ![]() | TR32153-2 | NUT-LOCK, SIDE |





