Toro 78305 - 36" Rear Discharge Mower, 1997 (7900001-7999999) HEIGHT OF CUT ADJUSTMENT LEVER Ersatzteile
HEIGHT OF CUT ADJUSTMENT LEVER 78305 - Toro 36" Rear Discharge Mower, 1997 (7900001-7999999)

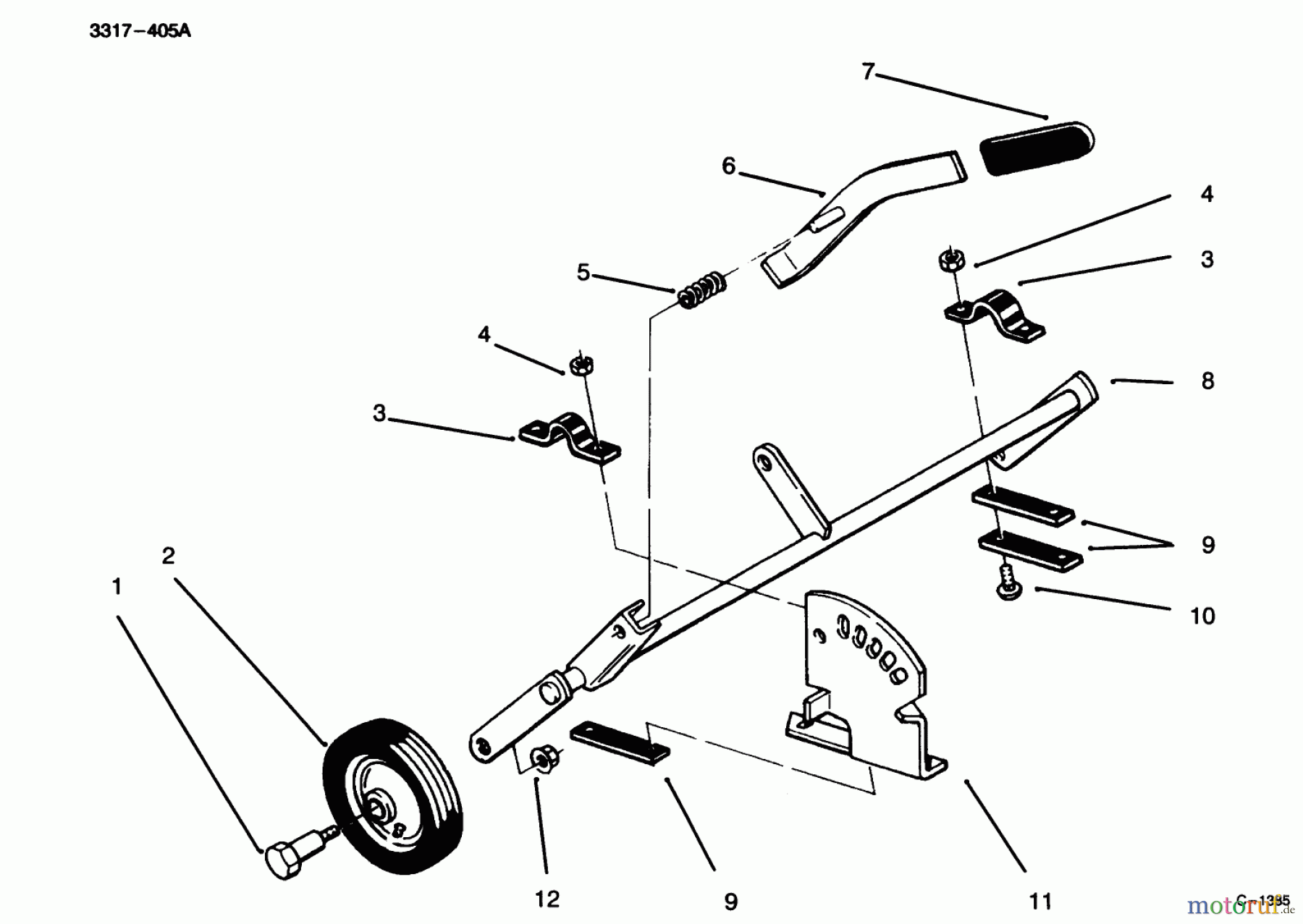
Hier finden Sie die Ersatzteilzeichnung für Toro Neu Mowers, Deck Assembly Only 78305 - Toro 36" Rear Discharge Mower, 1997 (7900001-7999999) HEIGHT OF CUT ADJUSTMENT LEVER. Wählen Sie das benötigte Ersatzteil aus der Ersatzteilliste Ihres Toro Gerätes aus und bestellen Sie einfach online. Viele Toro Ersatzteile halten wir ständig in unserem Lager für Sie bereit.
| BildNr | Artikel Nummer | Bezeichnung | |
| 1 | TR5188 | Bolzen (5) | |
| 2 | TR110506 | Rad | |
| 3 | TR110841 | KLEMMSTUECK | |
| 4 | TR32-9639 | ||
| 5 | TR101853 | SPRING-COMPRESSION | |
| 6 | TR102431-01 | Hebel Kpl. | |
| 7 | TR102597 | GRIFF | |
| 8 | TR107961-01 | WA GAGE WHL | |
| 9 | TR110840-03 | Platte | |
| 10 | TR3231-25 | Bolzen | |
| 11 | TR106392-01 | QUADRANT | |
| 12 | ![]() | TR32153-2 | NUT-LOCK, SIDE |


Qualitätsmanagement
Informieren Sie uns, wenn Sie einen Fehler gefunden haben.


