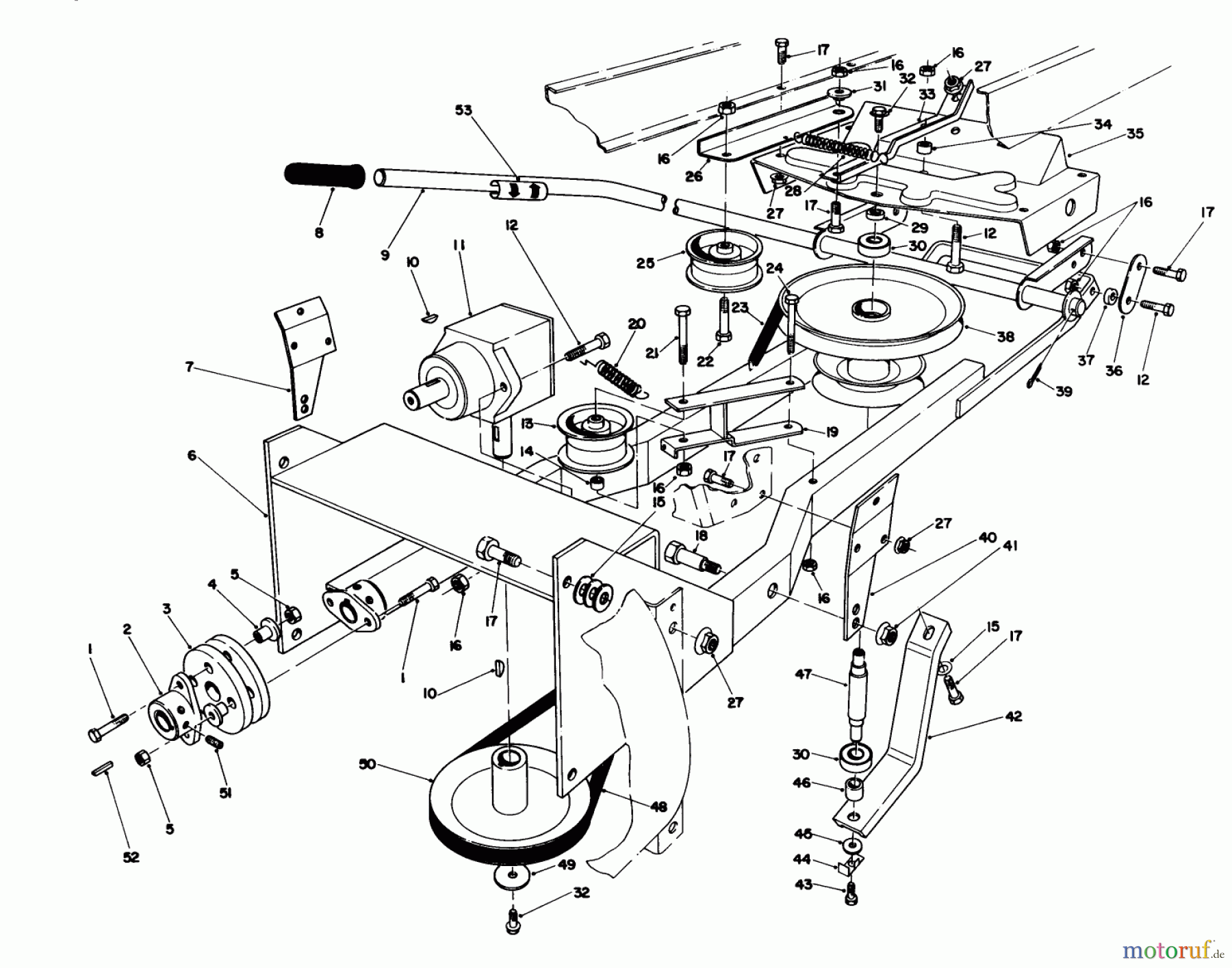
Toro 57358 - 44" Side Discharge Mower, 1987 (7000001-7999999) FRAME & PULLEY ASSEMBLY 36" SNOWTHROWER ATTACHMENT MODEL NO. 59160 (OPTIONAL) Ersatzteile
FRAME & PULLEY ASSEMBLY 36" SNOWTHROWER ATTACHMENT MODEL NO. 59160 (OPTIONAL) 57358 - Toro 44" Side Discharge Mower, 1987 (7000001-7999999)

Hier finden Sie die Ersatzteilzeichnung für Toro Neu Mowers, Deck Assembly Only 57358 - Toro 44" Side Discharge Mower, 1987 (7000001-7999999) FRAME & PULLEY ASSEMBLY 36" SNOWTHROWER ATTACHMENT MODEL NO. 59160 (OPTIONAL). Wählen Sie das benötigte Ersatzteil aus der Ersatzteilliste Ihres Toro Gerätes aus und bestellen Sie einfach online. Viele Toro Ersatzteile halten wir ständig in unserem Lager für Sie bereit.




