Toro 57358 - 44" Side Discharge Mower, 1987 (7000001-7999999) ENGINE BRIGGS & STRATTON MODEL 253707-0157-01 #1 Ersatzteile
ENGINE BRIGGS & STRATTON MODEL 253707-0157-01 #1 57358 - Toro 44" Side Discharge Mower, 1987 (7000001-7999999)

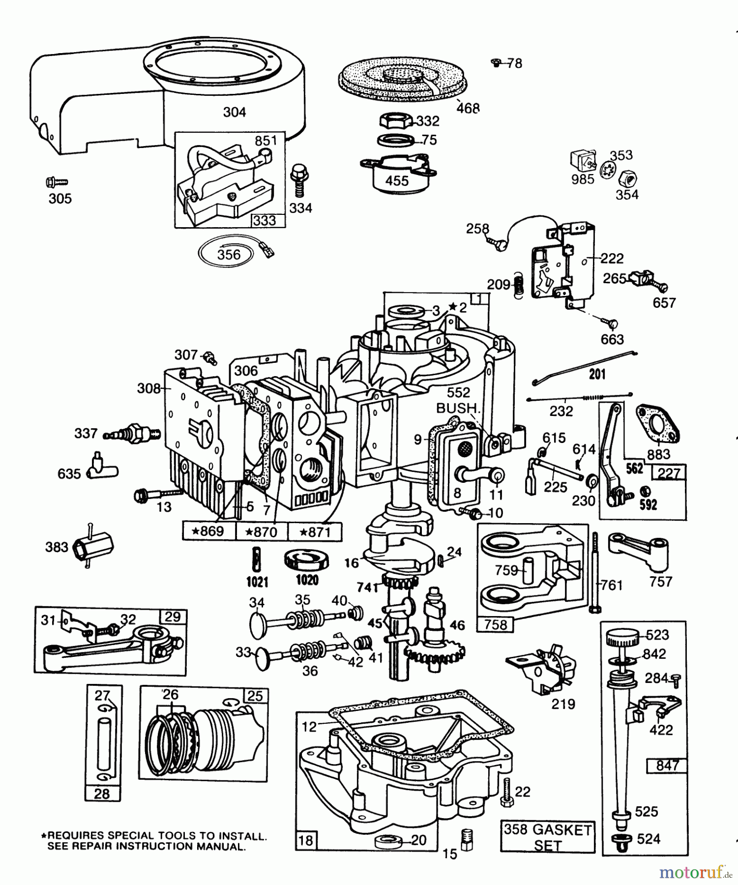
Hier finden Sie die Ersatzteilzeichnung für Toro Neu Mowers, Deck Assembly Only 57358 - Toro 44" Side Discharge Mower, 1987 (7000001-7999999) ENGINE BRIGGS & STRATTON MODEL 253707-0157-01 #1. Wählen Sie das benötigte Ersatzteil aus der Ersatzteilliste Ihres Toro Gerätes aus und bestellen Sie einfach online. Viele Toro Ersatzteile halten wir ständig in unserem Lager für Sie bereit.


Qualitätsmanagement
Informieren Sie uns, wenn Sie einen Fehler gefunden haben.





