Toro 57241 - 32" Side Discharge Mower, 1973 (3000001-3999999) ELECTRICAL DIAGRAM Ersatzteile
ELECTRICAL DIAGRAM 57241 - Toro 32" Side Discharge Mower, 1973 (3000001-3999999)

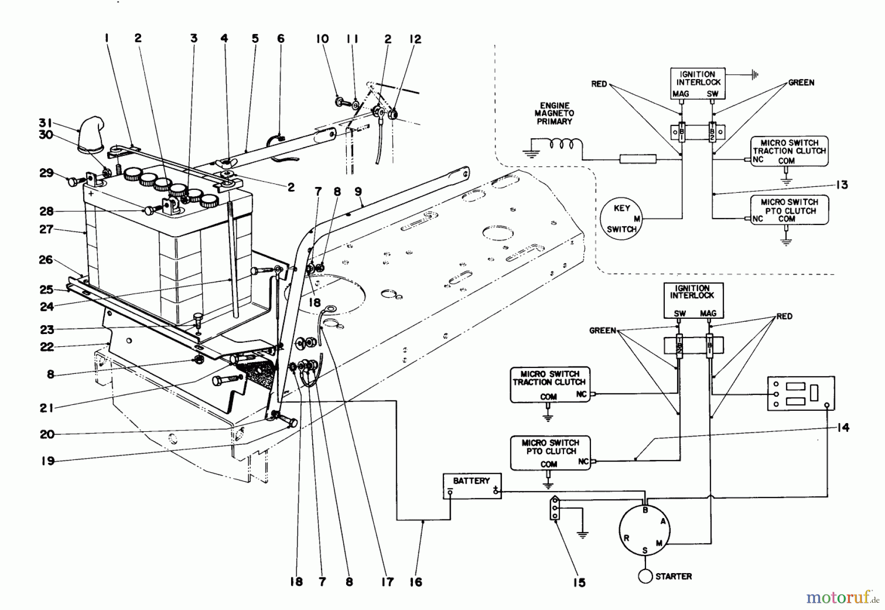
Hier finden Sie die Ersatzteilzeichnung für Toro Neu Mowers, Deck Assembly Only 57241 - Toro 32" Side Discharge Mower, 1973 (3000001-3999999) ELECTRICAL DIAGRAM. Wählen Sie das benötigte Ersatzteil aus der Ersatzteilliste Ihres Toro Gerätes aus und bestellen Sie einfach online. Viele Toro Ersatzteile halten wir ständig in unserem Lager für Sie bereit.


Qualitätsmanagement
Informieren Sie uns, wenn Sie einen Fehler gefunden haben.



